Interfaz: IO,Uart
Canal: 1 canal
Comunicación: De una sola mano
Distancia abierta (km): 4~5
Tamaño (mm):49,5*32,2(transmisión) 82*45(recepción)
Los parámetros eléctricos del módulo SK200-TX son los siguientes:
| Modelo | SK200-TX-100mW |
| Potencia de transmisión | 20 dBm |
| Voltaje de trabajo (rango) | 5 V (3,3 V ~ 6,5 V) |
| Corriente de sueño | 200 uA |
| Corriente de reposo | 15 mA |
| Corriente de emisión | 130 mA |
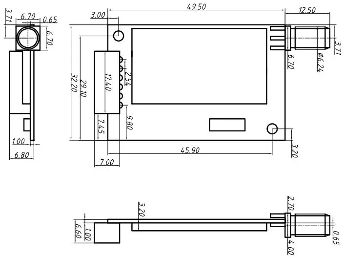
| Tamaño (mm) | 49,5*32,2*3,2 |
| Rango de temperatura de trabajo | -40℃~85℃ |
Los parámetros eléctricos del módulo SK200-RX son los siguientes:
| Parámetro | Pequeñísimo | Típico | Más grande | Unidad | Condición |
| Condiciones de funcionamiento | |||||
| Rango de voltaje de trabajo | 5 | 12 | 30 | V | |
| Carga del relé | < 10 | A | @220 V | ||
| Parámetro de radiofrecuencia | |||||
| Recibir corriente | < 10 | mamá | @12 V | ||
| Sensibilidad de recepción | -132 | dBm | |||
| Interfaz | E/S, Uart |
| Canal | 1 canal |
| Comunicación | De una sola mano |
| Distancia abierta (km) | 9~10 |
La descripción de la interfaz del módulo receptor SK200-RX se muestra en la siguiente figura:

La descripción de la interfaz del módulo transmisor SK200PRO-TX se muestra en la siguiente figura:
SK200-TX-100mW:

| Definición de pin | Descripción |
| VCC | Conectar al polo positivo |
| Tierra | Suelo |
| TXD | Para la configuración de parámetros del modo de configuración |
| RXD | Para la configuración de parámetros del modo de configuración |
| COLOCAR | Habilitación de parámetros de configuración (configuración de parámetro de habilitación de nivel bajo, salida de nivel alto predeterminada) |
| CS | Pin de entrada de señal del interruptor (con pull-up interno) |
Módulo transmisor
SK200PRO-TX-100mW

Módulo receptor SK200-RX

política de privacidad
· Política de privacidad
Actualmente no hay contenido disponible
Correo electrónico:sales@nicerf.com
Teléfono:+86-755-23080616