Certificación: Otros
Modulación: LoRa
Interfaz: Tiempo de vida
Potencia de salida: 1W
Frecuencia: 410~490 MHz
La red: Otros
Tamaño (mm):39.3*24
El SA618F22-C1 es un módulo de transmisión inalámbrica full-duplex digital y de audio todo en uno mejorado de nuestra empresa. Ofrece una latencia más baja y admite llamadas de alta calidad para hasta 8 usuarios simultáneos. Los usuarios pueden transmitir datos de forma inalámbrica a través del puerto serie y señales de voz (micrófono, entrada de línea o I²S). El módulo está equipado con un microcontrolador de alta velocidad, circuitos de cancelación de eco, protección ESD, un chip RF de alto rendimiento y un amplificador que utiliza tecnología de espectro ensanchado de banda ancha, lo que resulta en bajo consumo de energía, amplio alcance y ajuste flexible de frecuencia. El SA618F22-C1 admite recepción y retransmisión simultáneas multicanal en una red en malla.
El SA618F22-C1 permite la comunicación full-duplex a través del puerto serie y ofrece transmisión inalámbrica de datos con capacidades de red en malla. Admite actualizaciones inalámbricas (OTA) o del puerto serie, lo que permite a los usuarios configurar fácilmente los parámetros internos y controlar sus funciones de transmisión a través del puerto serie. El SA618F22-C1 está equipado con controladores de hardware y software para prevenir fallos del sistema e incluye protección contra polaridad inversa, sobrecorriente y sobretensión, lo que garantiza un funcionamiento seguro y estable en diversos entornos. El SA618F22-C1 se fabrica y prueba mediante estrictos procesos sin plomo, cumpliendo con las normas RoHS y REACH, y cuenta con las certificaciones CE y FCC.
Parámetros | Condición | Mín. | Típico. | Máx. | Unidad |
Fuente de alimentación | 2.3 | 3.3 | 3.6 | V | |
Temperatura de trabajo | -30 | 25 | 70 | °C | |
Consumo actual | |||||
Corriente de sueño | 12 | uA | |||
Corriente RX | @sin salida de voz | 50 | mamá | ||
Corriente TX (alta potencia) | @22dBm Promedio | 60 | mamá | ||
Parámetros de RF | |||||
Frecuencia de operación | UHF | 420 | 510 | megahercio | |
Frecuencia personalizable | 150 | 960 | megahercio | ||
Frecuencia de envío predeterminada | UHF (intervalo de 1 MHz) | 440.125 | 455.125 | megahercio | |
Potencia de transmisión | Por defecto | 0 | 22 | dBm | |
Segundo armónico | -40 | dBm | |||
Ancho de banda ( BW) | 500 | kHz | |||
Sensibilidad de recepción | -117 | dBm | |||
Parámetros de audio | |||||
Sensibilidad de modulación | 10 | 100 | mV | ||
Relación señal-ruido de recepción (SNR) | 90 | dB | |||
Respuesta de frecuencia | 60 | 3800 | Hz | ||
Salida de voz ( salida de línea) | Carga 16 Ω | 40 | mW | ||
Parámetros de retardo | 8 canales | 160 | 200 | 240 | EM |
Banda de frecuencia UHF 420-510 MHz (personalizable 150-960 MHz)
Hasta 8 dispositivos transmiten simultáneamente (Recepción ilimitada)
Función de cancelación de eco
Función VOX
Alta integración y tamaño compacto
Bajo consumo de energía en modo de suspensión
Distancia de transmisión de 1 a 3 km en área abierta
Admite de 2 a 8 personas en llamadas simultáneas de alta calidad
Latencia de llamada más corta
Audio digital + audio analógico I2S
Entrada de línea + entrada de micrófono
Transmisión de datos full-duplex
Red de malla
Admite actualización OTA y serial
Alta sensibilidad de recepción: -117 dBm
Comunicación de emergencias de incendio
Metro, comunicación por túnel
Sistema de intercomunicación para montar a caballo
Walkie-talkie dúplex completo de alta calidad
Sistema de teléfono de conferencia
Construyendo un sistema de seguridad comunitario
Sistema de intercomunicación de seguridad para escenarios especiales
Walkie-talkie con auriculares
Walkie-talkie para asignación de trabajo especial
Circuito de aplicación de entrada y salida analógica (amplificador de audio integrado)

Circuito de aplicación de entrada y salida analógica (amplificador de audio externo)

Circuito de aplicación de entrada y salida de IIS


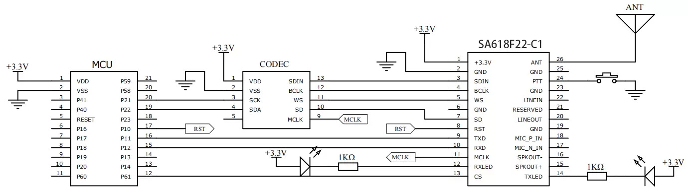
Pin N.º | Nombre del pin | E/S | Descripción |
1 | +3,3 V | Conectar a la alimentación positiva (2,3-3,6 V) | |
2,6,19,23,25 | Tierra | Conectar al negativo de potencia | |
3 | SDIN | I | I2S externo (0-3,3 V) |
4 | BCLK | Oh | I2S externo (0-3,3 V) |
5 | WS | Oh | I2S externo (0-3,3 V) |
7 | DAKOTA DEL SUR | Oh | I2S externo (0-3,3 V) |
8 | RST | I | Pin de reinicio del módulo, bájelo durante más de 5 ms para reiniciar el módulo |
9 | TXD | Oh | Pin de transmisión del puerto serie del módulo |
10 | RXD | I | Pin de recepción del puerto serie del módulo |
11 | MCLK | Oh | I2S externo (0-3,3 V) |
12 | RXLED | Oh | Indicador de recepción, conectado con LED externo, se enciende con salida de nivel bajo cuando se reciben datos o voz (se sugiere una resistencia de 1K ohm para limitación de corriente). |
13 | CS | I | El pin de suspensión del módulo, nivel alto para funcionamiento y |
14 | TXLED | Oh | Indicador de transmisión, conectado con LED externo, se enciende con salida de nivel bajo cuando se transmiten datos o voz (se sugiere una resistencia de 1K ohm para limitar la corriente). |
15 | SPKOUT+ | Oh | Conexión externa de altavoz de 8 Ω y 2 W |
16 | SPKOUT- | Oh | Conexión externa de altavoz de 8 Ω y 2 W |
17 | MIC_N_IN | I | Electrodo negativo del micrófono externo |
18 | MIC_P_IN | I | Electrodo positivo del micrófono externo |
20 | SALIDA DE LÍNEA | Oh | Conectado con auriculares de 16 Ω |
21 | Reservado | Pin de prueba del módulo, el usuario debe dejarlo desconectado | |
22 | ENTRADA DE LÍNEA | I | Entrada de línea, máximo 1 VRMS |
24 | PTT | I | Presione para hablar, tire hacia abajo para ingresar al modo de transmisión, tire hacia arriba o déjelo abierto para ingresar al modo de recepción, tire hacia arriba internamente, |
26 | HORMIGA | Conectado con antena de 50 ohmios |

política de privacidad
· Política de privacidad
Actualmente no hay contenido disponible
Correo electrónico:sales@nicerf.com
Teléfono:+86-755-23080616