SA628F22: Módulo de audio inalámbrico full duplex con frecuencia de muestreo de 8K
Type: Wireless Audio
Certification: Others
Output Power: 160mW
Tamaño (mm):48,1*33,9
| Parámetro | Condiciones de prueba | Mín. | Típico. | Máx. | Unidad |
| Voltaje de funcionamiento | 2.3 | 3.3 | 3.6 | V | |
| temperatura de trabajo | -30 | 25 | 70 | °C | |
| Consumo actual | |||||
| Corriente de sueño | 12 | uA | |||
| Corriente RX | @ Sin salida de audio | 50 | mamá | ||
| Salida de audio a 8 Ω y 1 W | 300 | ||||
| Corriente TX | 3,3 V, a 22 dBm | 110 | mamá | ||
| Parámetro de RF | |||||
| Frecuencia de operación | UHF | 420 | 510 | megahercio | |
| Frecuencia personalizable | 150 | 960 | megahercio | ||
| Valor de frecuencia predeterminado para 16 canales | UHF (intervalo de 1 MHz) | 440.125 | 455.125 | megahercio | |
| Potencia de transmisión | Predeterminado: 22dBm | 0 | 22 | dBm | |
| Segundo armónico | -40 | dBm | |||
| Ancho de banda (BW) | 500 | kHz | |||
| Sensibilidad de recepción | -117 | dBm | |||
| Parámetros de audio | |||||
| Sensibilidad de modulación | 10 | 100 | mV | ||
| Relación señal-ruido de recepción (SNR) | 90 | dB | |||
| respuesta de frecuencia | 60 | 3800 | Hz | ||
| Salida de audio (salida de línea) | Carga 16 Ω | 40 | mW | ||
| Parámetros de retardo | 2 canales | 80 | 100 | 120 | EM |
| 3 canales | 120 | 160 | 180 | EM | |
| 4 canales | 160 | 200 | 240 | EM | |
| 6 canales | 240 | 300 | 360 | EM | |
| 8 canales | 320 | 400 | 480 | EM | |
| Tipo | audio inalámbrico |
| Potencia de salida | 160 mW |

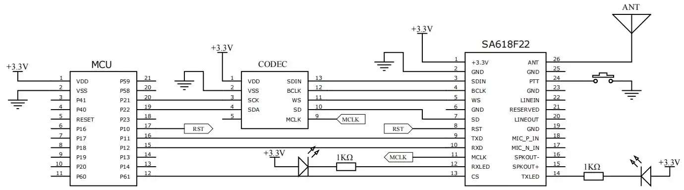
Circuito de aplicación de entrada y salida analógica (amplificador de audio externo)



| Pin N.º | Nombre del pin | E/S | Descripción |
| 1 | +3,3 V | 2,3-3,6 V | |
| 2,6,19,23,25 | Tierra | Suelo | |
| 3 | SDIN | I | I2S externo (0-3,3 V) |
| 4 | BCLK | Oh | I2S externo (0-3,3 V) |
| 5 | WS | Oh | I2S externo (0-3,3 V) |
| 7 | DAKOTA DEL SUR | Oh | I2S externo (0-3,3 V) |
| 8 | RST | I | Pin de reinicio del módulo: si se baja externamente durante más de 5 ms, se reiniciará el módulo. |
| 9 | TXD | Oh | Comunicación en serie |
| 10 | RXD | I | Comunicación en serie |
| 11 | MCLK | Oh | I2S externo (0-3,3 V) |
| 12 | RXLED | Oh | Indicador de recepción, conectado con LED externo, se enciende con salida de nivel bajo cuando se reciben datos o voz (se sugiere una resistencia de 1K ohm para limitación de corriente). |
| 13 | CS | I | Entrada flotante, nivel bajo para entrar en suspensión |
| 14 | TXLED | Oh | Indicador de transmisión, conectado con LED externo, se enciende con salida de nivel bajo cuando se transmiten datos o voz (se sugiere una resistencia de 1K ohm para limitar la corriente). |
| 15 | SPKOUT+ | Oh | Conexión externa de altavoz de 8 Ω y 2 W |
| 16 | SPKOUT- | Oh | Conexión externa de altavoz de 8 Ω y 2 W |
| 17 | MIC_N_IN | I | Electrodo negativo del micrófono externo |
| 18 | MIC_P_IN | I | Electrodo positivo del micrófono externo |
| 20 | SALIDA DE LÍNEA | Oh | Conectado con auriculares de 16 Ω |
| 21 | Reservado | CAROLINA DEL NORTE | |
| 22 | ENTRADA DE LÍNEA | I | Entrada de línea, máximo 1 VRMS |
| 24 | PTT | I | Presione para hablar, tire hacia abajo para ingresar al modo de transmisión, tire hacia arriba o déjelo abierto para ingresar al modo de recepción, tire hacia arriba internamente, |
| 26 | HORMIGA | Conectado con antena de 50 ohmios |

política de privacidad
· Política de privacidad
Actualmente no hay contenido disponible
Correo electrónico:sales@nicerf.com
Teléfono:+86-755-23080616