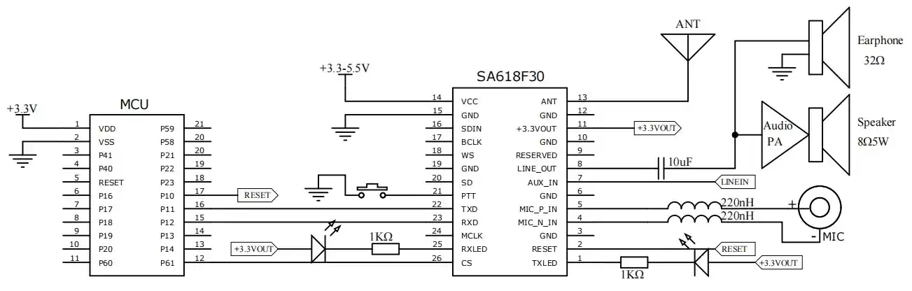
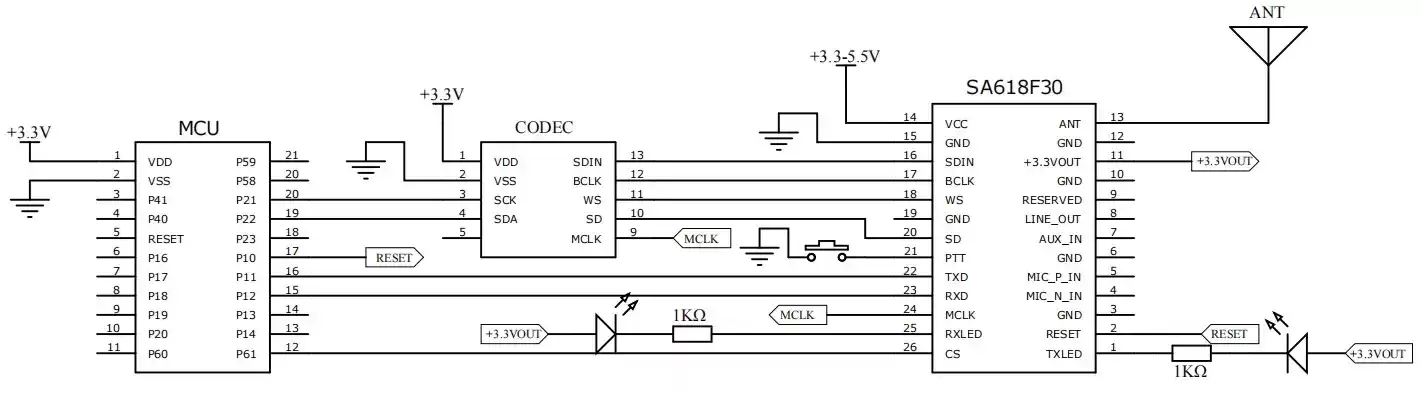
SA618F30-DZ: Módulo de audio full-duplex con relé multinivel de 1 W y 8 antenas duales, frecuencia de muestreo de 8K y protección ESD
Escribe: Audio inalámbrico
Certificación: Otros
Potencia de salida: 1W
Tamaño (mm):39,3*24,0

Spanish








