Escribe: Audio inalámbrico
Certificación: Otros
Potencia de salida: 1W
Tamaño (mm):39,3 mm x 24 mm
Parámetro | Condiciones de prueba | Mín. | Típico. | Máx. | Unidad |
Voltaje de funcionamiento |
| 3.3 | 4.2 | 5.5 | V |
temperatura de trabajo |
| -30 | 25 | 70 | °C |
Consumo actual | |||||
Corriente de sueño |
|
| 10 | 20 | uA |
Corriente RX | @ Sin salida de audio |
| 50 | 55 | mamá |
Salida de audio a 8 Ω y 1 W |
|
|
| ||
Corriente TX | 4 V, a 30 dBm |
| 450 | 550 | mamá |
Parámetro de RF | |||||
Frecuencia de operación | UHF | 410 |
| 490 | megahercio |
Frecuencia personalizable |
| 150 |
| 960 | megahercio |
Valor de frecuencia predeterminado para 16 canales | UHF (Intervalo de 1 MHz) | 440.125 |
| 455.125 | megahercio
|
Potencia de transmisión | @5 V | 16 |
| 32 | dBm |
Ancho de banda (BW) |
|
| 500 |
| kHz |
Sensibilidad de recepción |
|
| -117 |
| dBm |
Parámetros de audio | |||||
Sensibilidad de modulación |
|
| 10 | 100 | mV |
Relación señal-ruido de recepción (SNR) |
|
| 90 |
| dB |
Respuesta de frecuencia |
| 60 |
| 3800 | Hz |
Salida de audio (salida de línea) | Carga 16 Ω |
|
| 40 | mW |
Parámetros de retardo | 2 canales | 80 | 100 | 120 | EM |
3 canales | 120 | 160 | 180 | EM | |
4 canales | 160 | 200 | 240 | EM | |
6 canales | 240 | 300 | 360 | EM | |
8 canales | 320 | 400 | 480 | EM | |
| Tipo | audio inalámbrico |
| Potencia de salida | 1 W |
n Circuito de aplicación de entrada analógica y salida analógica

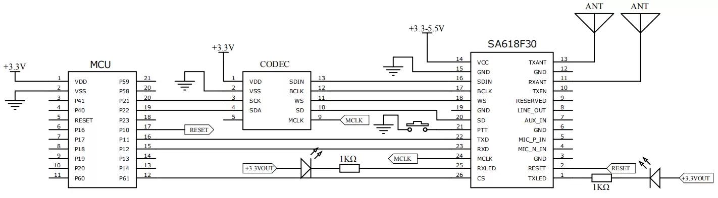
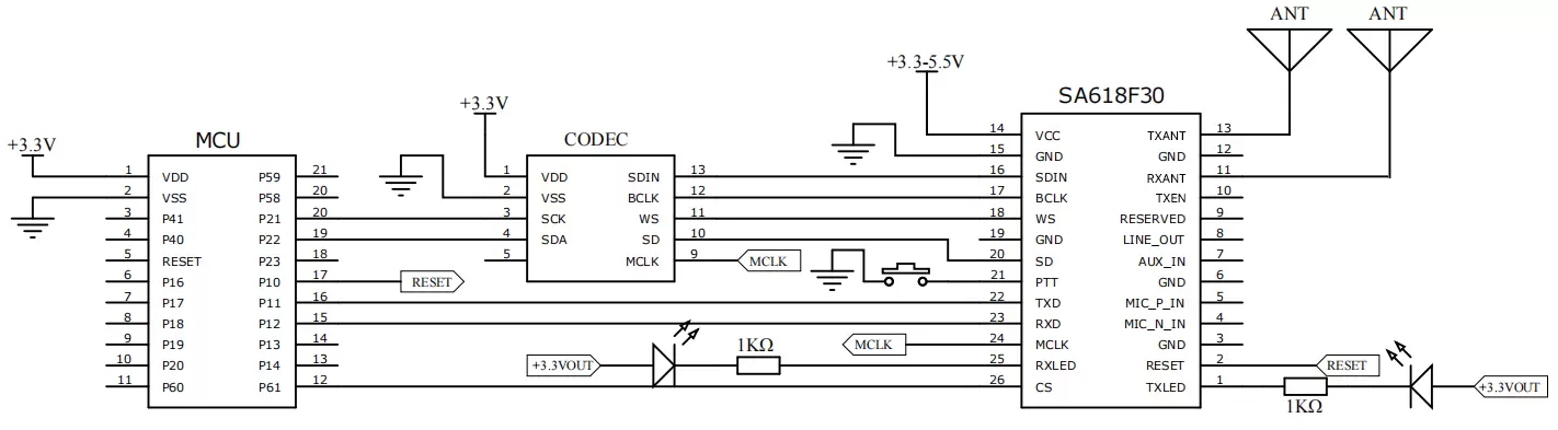
Circuito de aplicación de entrada y salida I2S


Pin N.º | Nombre del pin | E/S | Descripción |
1 | TXLED | Oh | Indicador de transmisión, conectado con LED externo, se enciende con salida de nivel bajo cuando se transmiten datos o voz (se sugiere una resistencia de 1K ohm para limitar la corriente). |
2 | REINICIAR | I | Pin de reinicio del módulo: si se baja externamente durante más de 5 ms, se reiniciará el módulo. |
3,6,10, 12, 14, 15, 19 | Tierra | Conectar al negativo de potencia | |
4 | MIC_N_IN | I | Electrodo negativo del micrófono externo, conectado en serie con una inductancia de 220 nH, consulte el circuito típico a continuación. |
5 | MIC_P_IN | I | Electrodo positivo del micrófono externo, conectado en serie con una inductancia de 220 nH, consulte el circuito típico a continuación. |
7 | ENTRADA AUXILIAR | I | Entrada de línea y entrada de micrófono |
8 | SALIDA DE LÍNEA | Oh | Conectado con auriculares de 16 Ω |
9 | RESERVADO | CAROLINA DEL NORTE | |
10 | TXEN | Oh | Pin de habilitación de transmisión, salida de nivel alto (3,3 V) al transmitir, nivel bajo al recibir |
11 | RXANT | Oh | Entrada de señal RF para recepción, conectar a antena de 50 ohmios |
13 | TXANT | Oh | Salida de señal RF para transmisión, conectar a antena de 50 ohmios |
14 | VCC | Fuente de alimentación (3,3 – 5,5 V) | |
16 | SDIN | I | Conectado con dispositivo I2S externo, (0 – 3,3 V) |
17 | BCLK | Oh | |
18 | WS | Oh | |
20 | DAKOTA DEL SUR | Oh | |
21 | PTT | I | Presione para hablar, tire hacia abajo para ingresar al modo de transmisión, tire hacia arriba o déjelo abierto para ingresar al modo de recepción, tire hacia arriba internamente, |
22 | TXD | Oh | Comunicación en serie |
23 | RXD | I | Comunicación en serie |
24 | MCLK | Oh | Conectado con dispositivo I2S externo (0-3,3 V) |
25 | RXLED | Oh | Indicador de recepción, conectado con LED externo, se enciende con salida de nivel bajo cuando se reciben datos o voz (se sugiere una resistencia de 1K ohm para limitación de corriente). |
26 | CS | I | Entrada flotante, nivel bajo para entrar en suspensión |

política de privacidad
· Política de privacidad
Actualmente no hay contenido disponible
Correo electrónico:sales@nicerf.com
Teléfono:+86-755-23080616