Escribe: Audio inalámbrico
Certificación: Otros
Potencia de salida: 1W
Tamaño (mm):39,3 mm x 24 mm
El SA618F30-C1 es un módulo de intercomunicación full-duplex de NiceRF, mejorado, económico, de alta integración y alta potencia. Incorpora un microcontrolador de alta velocidad, códec de audio, circuito de cancelación de eco, protección ESD, chip RF de alto rendimiento y amplificador. El módulo proporciona un puerto serie estándar para la comunicación, lo que permite a los usuarios configurar fácilmente los parámetros y controlar las funciones de transmisión y recepción. Al conectar un amplificador de audio, un micrófono y un altavoz, funciona como un intercomunicador compacto. Su interfaz simplificada y su tamaño ultracompacto lo hacen ideal para diversas aplicaciones, lo que permite una integración perfecta en dispositivos portátiles para optimizar el rendimiento general de los terminales.
El módulo de intercomunicación full-duplex SA618F30-C1 admite llamadas simultáneas de alta calidad para 8 usuarios. Ofrece 8 canales simultáneos con recepción ilimitada, lo que garantiza una excelente experiencia de audio para cada usuario. La calidad de audio durante el uso simultáneo de 8 canales es mucho mejor que la de otros productos similares.
SA618F30-C1 se produce y prueba utilizando procesos sin plomo, cumpliendo con los estándares RoHS y REACH.
Parámetro | Condiciones de prueba | Mín. | Típico. | Máx. | Unidad |
Voltaje de funcionamiento | 3.3 | 4.2 | 5.5 | V | |
temperatura de trabajo | -30 | 25 | 70 | °C | |
Consumo actual | |||||
Corriente de sueño | 10 | 20 | uA | ||
Corriente RX | @ Sin salida de audio | 50 | 55 | mamá | |
Corriente TX | 4 V, a 30 dBm | 16 0 | mamá | ||
Parámetro de RF | |||||
Frecuencia de operación | UHF | 410 | 480 | megahercio | |
Frecuencia personalizable | 150 | 960 | megahercio | ||
Frecuencia de envío predeterminada | UHF (intervalo de 1 MHz) | 440.125 | 455.125 | megahercio | |
Potencia de transmisión | @5 V | 16 | 32 | dBm | |
Ancho de banda ( BW) | 500 | kHz | |||
Sensibilidad de recepción | -117 | dBm | |||
Parámetros de audio | |||||
Sensibilidad de modulación | 10 | 100 | mV | ||
Relación señal-ruido de recepción (SNR) | 90 | dB | |||
Respuesta de frecuencia | 60 | 3800 | Hz | ||
Salida de audio ( salida de línea) | Carga 16 Ω | 40 | mW | ||
8 canales | 160 | 20 0 | 240 | EM | |
Características
Alta integración y tamaño reducido
Aplicaciones
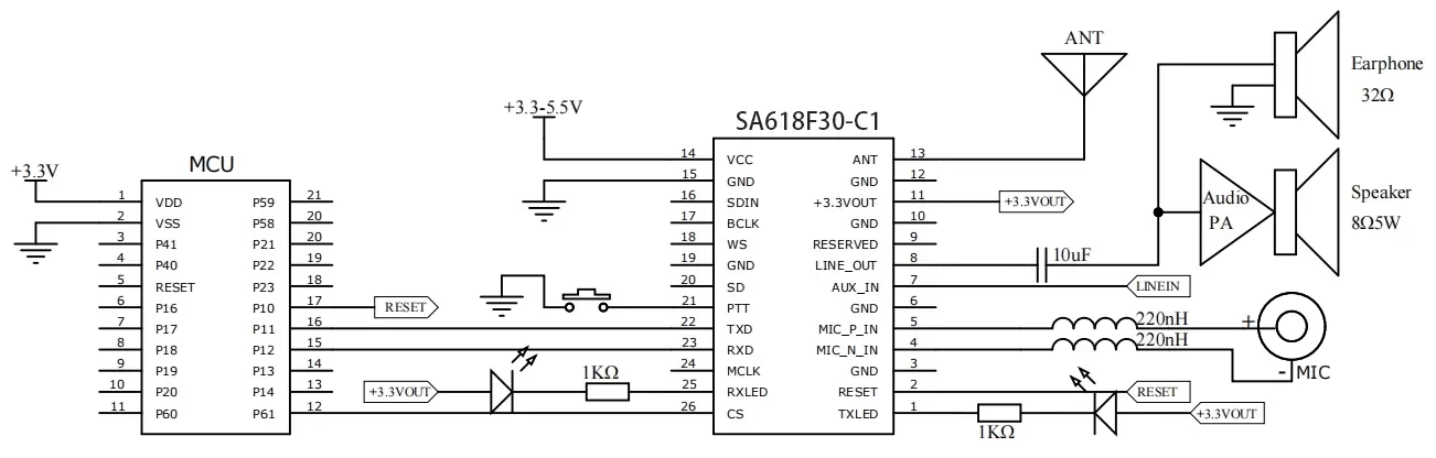
Circuito de aplicación de entrada y salida analógica

Circuito de aplicación de entrada y salida I2S


Pin N.º | Nombre del pin | E/S | Descripción |
1 | TXLED | Oh | Indicador de transmisión, conectado con LED externo, se enciende con salida de nivel bajo cuando se transmiten datos o voz (se sugiere una resistencia de 1K ohm para limitar la corriente). |
2 | RST | I | Pin de reinicio del módulo: si se baja externamente durante más de 5 ms, se reiniciará el módulo. |
3, 6, 10, 12, 15, 19 | Tierra | Suelo | |
4 | MIC_N_IN | I | Electrodo negativo del micrófono externo, conectado en serie con una inductancia de 220 nH, consulte el circuito típico a continuación. |
5 | MIC_P_IN | I | Electrodo positivo del micrófono externo, conectado en serie con una inductancia de 220 nH, consulte el circuito típico a continuación. |
7 | Entrada auxiliar | I | Señal de entrada de audio externa, máximo 1 VRMS |
8 | SALIDA DE LÍNEA | Oh | Se pueden conectar auriculares externos de 16 ohmios, lo que requiere un circuito de filtro paso bajo LC adicional para eliminar las interferencias de RF. Consulte el circuito típico. |
9 | Reservado | El usuario debe dejar los pines de prueba del módulo sin conectar. | |
11 | Salida de +3,3 V | Oh | Salida de regulador de 3,3 V, carga máxima de 50 mA |
13 | HORMIGA | Conectado con antena de 50 ohmios | |
14 | VCC | Fuente de alimentación (3,3 – 5,5 V) | |
16 | SDIN | I | Conectado con dispositivo I2S externo, (0 – 3,3 V) |
17 | BCLK | Oh | |
18 | WS | Oh | |
20 | DAKOTA DEL SUR | Oh | |
21 | PTT | I | El pin de transmisión del módulo se baja para ingresar al modo de transmisión, con una resistencia pull-up interna, y el valor predeterminado es una salida de nivel alto. |
22 | TXD | Oh | Pin de transmisión en serie (voltaje 0-3,3 V) |
23 | RXD | I | Pin de recepción en serie (voltaje 0-3,3 V) |
24 | MCLK | Oh | Conectado con dispositivo I2S externo (0-3,3 V) |
25 | RXLED | Oh | Indicador de recepción, conectado con LED externo, se enciende con salida de nivel bajo cuando se reciben datos o voz (se sugiere una resistencia de 1K ohm para limitación de corriente). |
26 | CS | I | El pin de suspensión del módulo funciona en nivel alto para el funcionamiento normal y en nivel bajo para el modo de suspensión. Cuenta con una resistencia pull-up interna, que por defecto está en nivel alto. |

política de privacidad
· Política de privacidad
Actualmente no hay contenido disponible
Correo electrónico:sales@nicerf.com
Teléfono:+86-755-23080616