Certificación: CE-ROJO,Identificación de la FCC
Modulación: LoRa
Chip: SX1281
Interfaz: SPI
Potencia de salida: 20 mW
Frecuencia: 2,4 GHz
Tamaño (mm):16*16
★ Los siguientes parámetros se obtienen conectando el instrumento con un eje de cobre de 50 ohmios. @VCC=3,3 V.
Los módulos inalámbricos LoRa1280/Lora1281-TXCO han obtenido la certificación CE y FCC.

| Parámetro | Mín. | Típico. | Máx. | Unidad | Condición |
| Condición de operación | |||||
| Voltaje de trabajo | 1.8 | 3.3 | 3.7 | V | |
| Rango de temperatura | -40 | 85 | °C | ||
| Consumo actual | |||||
Corriente RX | < 12 | mamá | @Lora1280-TCXO | ||
| Corriente TX | 28 | 32 | mamá | @Vcc=3,3 V, 12,5 dBm @Lora1280-TCXO | |
| Corriente de sueño | < 1 | uA | |||
| Parámetro de RF | |||||
| Rango de frecuencia | 2400 | 2500 | megahercio | ||
Velocidad de datos | 0.476 | 202 | Kbps | @LoRa | |
| 260 | 1300 | Kbps | @FLRC | ||
| 125 | 2000 | Kbps | @FSK | ||
| Potencia de salida | -18 | 12.5 | dBm | @VCC=3,3 V | |
| Sensibilidad de recepción | -132 | dBm | LoRa a 0,476 kbps | ||
| proceso de dar un título | FCC ID&CE-RED |
| Interfaz | SPI |
| Chip | SX1280/1281 |
| Frecuencia | 2,4 GHz |
| Modulación | LoRa |


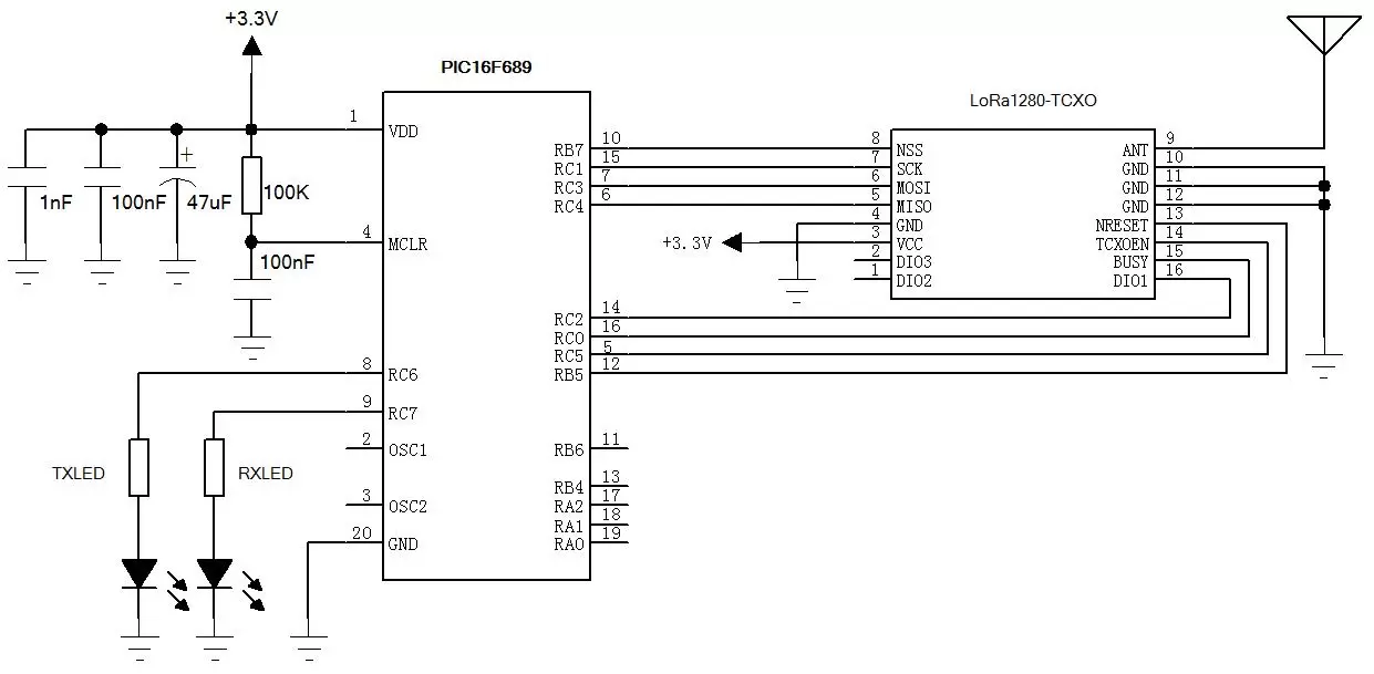
| Pin NO | Nombre del pin | Descripción |
| 1 | DIO2 | Conectado directamente al pin del chip, E/S de propósito general configurable (consulte la especificación del chip SX1280/1281 para obtener más detalles) |
| 2 | DIO3 | Conectado directamente al pin del chip, E/S de propósito general configurable (consulte la especificación del chip SX1280/1281 para obtener más detalles) |
| 3 | VCC | Conectado al polo positivo de la fuente de alimentación (1,8-3,7 V) |
| 4 | Tierra | Conectado al polo negativo |
| 5 | MISO | Pin de salida de datos SPI |
| 6 | MOSI | Pin de entrada de datos SPI |
| 7 | SCK | Pin de entrada de reloj SPI |
| 8 | Sistema Nacional de Seguridad | Pin de selección de chip del módulo |
| 9 | HORMIGA | Conectar con antena coaxial de 50 ohmios |
| 10, 11, 12 | Tierra | Conectado al polo negativo |
| 13 | NRESET | Pin de activación de reinicio de chip, activo bajo |
| Nota: Para los módulos Lora1280 y Lora1281, el PIN 14 es GND | ||
| 14 | Tierra | Conectado al polo negativo |
| Nota: Para el módulo Lora1280-TCXO, el PIN 14 es TCXOEN | ||
| 14 | TCXOEN | Activar TCXO: 1. Gire el pin TCXOEN al nivel alto antes de reiniciar SX1280; 2. Retrasar al menos 3 ms para esperar el inicio de TCXO; 3. Durante el uso del módulo 1280, TCXOEN debe mantenerse en nivel alto; Desactivar TCXO (si el módulo necesita ingresar al modo de suspensión): 1. Llame a la función SetSleep() para que el módulo ingrese al modo de suspensión; 2. Retrasar al menos 1 ms para esperar a que el módulo se suspenda; 3. Gire el pin TCXOEN al nivel bajo para desactivar TCXO; |
| 15 | OCUPADO | Pin indicador de estado (consulte la especificación SX1280/1281 para obtener más detalles) |
| 16 | DIO1 | Conectado directamente al pin del chip, E/S de propósito general configurable (consulte la especificación del chip SX1280/1281 para obtener más detalles) |

política de privacidad
· Política de privacidad
Actualmente no hay contenido disponible
Correo electrónico:sales@nicerf.com
Teléfono:+86-755-23080616