Type: (G)FSK Front-End Modules,LoRa Front-End Modules
Certification: FCC ID,IC ID
Modulation: LoRa
Chip: SX1276
Interface: SPI
Output Power: 100mW
Frequency: 915MHz
Tamaño (mm):16*16
| Parámetro | Mín. | Típico. | Máx. | Unidad | Condición |
| Condición de operación | |||||
| Voltaje de trabajo | 1.8 | 3.3 | 3.7 | V | |
| Rango de temperatura | -40 | 25 | 85 | °C | |
| Consumo actual | |||||
| Corriente RX | < 6.5 | mamá | @TCXO Crystal (predeterminado 2,8 V, 1,8 V opcional) | ||
| < 5 | mamá | @ oscilador de cristal | |||
| Corriente TX | < 130 | mamá | @868MHz @915MHz | ||
| Corriente de sueño | 1.9 | uA | Modo APAGADO (modo SLEEP con arranque en frío) Todos los bloques apagados | ||
| 2.3 | uA | Modo SLEEP (modo SLEEP con arranque en caliente) Configuración conservada | |||
| 2.9 | uA | Modo SLEEP (modo SLEEP con arranque en caliente) Configuración conservada + RC64k | |||
| 0,56 | mamá | Modo STDBY_RC, RC13M, XOSC APAGADO | |||
| 2.35 | mamá | Modo STDBY_XOSC, XOSC activado | |||
| Parámetro de RF | |||||
| Rango de frecuencia | 900 | 915 | 940 | megahercio | @915 MHz |
| Potencia de salida | -15 | 22 | dBm | ||
| Sensibilidad de recepción | -133 | dBm | @LoRa Ancho de banda = 125 KHz_SF = 10_CR=4/5 | ||
| Interfaz | SPI |
| Chip | SX1262 |
| Frecuencia | 915 MHz |
| Modulación | LoRa |
| Potencia de salida | 160 mW |
| Proceso de dar un título | Identificación de la FCC |


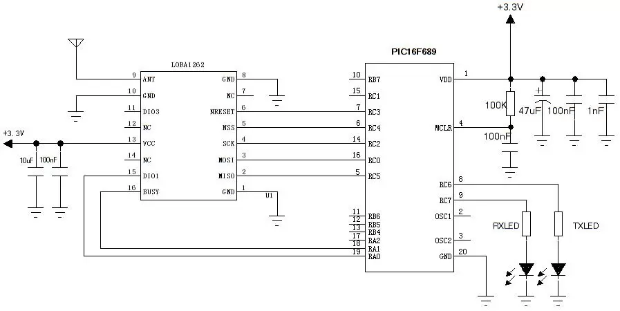
| Pin N.º | Nombre del pin | Descripción |
| 1 | Tierra | tierra de alimentación |
| 2 | MISO | Salida SPI para datos SPI |
| 3 | MOSI | Entrada SPI para datos SPI |
| 4 | SCK | Reloj serie para interfaz SPI |
| 5 | Sistema Nacional de Seguridad | Habilitación de SPI |
| 6 | NRESET | Restablecer entrada |
| 7, 12, 14 | CAROLINA DEL NORTE | Vacío |
| 8 | Tierra | tierra de alimentación |
| 9 | HORMIGA | Conectar con antena coaxial de 50 ohmios |
| 10 | Tierra | tierra de alimentación |
| 11 | DIO3 | E/S digitales |
| 13 | VCC | Fuente de alimentación conectada (predeterminada: 3,3 V) |
| 15 | DIO1 | E/S digitales |
| 16 | OCUPADO | Se utiliza para indicar el estado, consulte la hoja de datos para obtener más detalles. |

política de privacidad
· Política de privacidad
Actualmente no hay contenido disponible
Correo electrónico:sales@nicerf.com
Teléfono:+86-755-23080616