Escribe: GPS
Certificación: Otros
Tamaño (mm):9.9*10.1
| Parámetro | Descripción | Mínimo | Típico | Máximo | Unidad | Condición |
| Condiciones de funcionamiento | ||||||
| Rango de voltaje de funcionamiento | VCC | 2.7 | 3.3 | 3.6 | V | |
| V_BCKP | 2.5 | 3.3 | 3.5 | V | ||
| Rango de temperatura | Laboral | -40 | 85 | °C | ||
| Almacenamiento | -40 | 125 | °C | |||
| Consumo actual | ||||||
| Recibir corriente | < 25 | mamá | @Modo dual, VCC=3,3 V, V_BCKP=3,3 V | |||
| Corriente de sueño | <35 | uA | VCC=0 V, V_BCKP=3,3 V | |||
| Parámetros de radiofrecuencia | ||||||
| Precisión de posicionamiento | Nivel | < 3 | metro | @Terreno abierto | ||
| Elevación | < 4.5 | metro | ||||
| Precisión de la medición de velocidad | <0,1 | metro | ||||
| Sensibilidad | captura | -148 | dBm | |||
| pista | -166 | dBm | ||||
| Ganancia de antena externa | 30 | dB | ||||
| Precisión de la medición de velocidad | < 0,1 | EM | ||||
| Tiempo hasta la primera corrección (TTFF) | Arranque en frío | < 28 | s | |||
| Arranque en caliente | 1 | s | ||||
| Reconquista | 1 | s | ||||
| Parámetros del puerto serie | ||||||
| Velocidad en baudios en serie | 4800 | 38400 | 921600 | puntos básicos | ||
| Velocidad de actualización de datos (modo único) | BDS/GPS/GLONASS/Galileo | 1 | 18 | Hz | Predeterminado 1 Hz | |
| Velocidad de actualización de datos (modo dual) | BDS+GPS | 1 | 10 | Hz | ||
| BDS+Galileo | 1 | 10 | Hz | |||
| GPS+GLONASS | 1 | 10 | Hz | |||
| GPS+Galileo | 1 | 10 | Hz | |||
| GLONASS + Galileo | 1 | 10 | Hz | |||
| Velocidad de actualización de datos (trimodo) | GPS+Galileo+GLONASS | 1 | 10 | Hz | ||
| GPS+Galileo+BDS | 1 | 10 | Hz | |||
| Tipo | GPS |
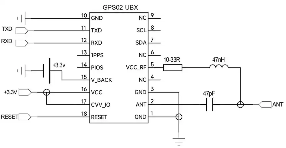
El método de conexión de la antena activa es el siguiente:

El método de conexión de la antena pasiva es el siguiente:


| Número PIN | Definición de pin | E/S | Nivel estándar | Descripción |
| 1, 3, 10 | Tierra | — | Tierra de energía | |
| 2 | HORMIGA | I | Entrada de antena | |
| 4, 6 y 9 | CAROLINA DEL NORTE | — | Sin función | |
| 5 | VCC_RF | Oh | VCC | Salida de 3,3 V, alimentada por la antena o LNA, no exceda los 20 mA |
| 7 | Adventista del Séptimo Día | E/S | 0-3,5 V | Interfaz I2C |
| 8 | SCL | I | 0-3,5 V | Interfaz I2C |
| 11 | TXD | Oh | 0-3,5 V | Interfaz serial |
| 12 | RXD | I | 0-3,5 V | Interfaz serial |
| 13 | 1 PPS | Oh | 0-3,5 V | 1 salida de pulso por segundo |
| 14 | PIO5 | I | 0-3,5 V | Interfaz reservada |
| 15 | V_ATRÁS | I | 2,5-3,5 V | Entrada de energía de respaldo |
| 16 | VCC | — | 3,0-3,5 V | Entrada de alimentación principal |
| 17 | VCC_IO | — | 3,0-3,5 V | Entrada de energía de E/S |
| 18 | REINICIAR | I | 0-3,5 V | Reinicio externo, nivel bajo activo. No se puede conectar a tierra mediante condensador. |


política de privacidad
· Política de privacidad
Actualmente no hay contenido disponible
Correo electrónico:sales@nicerf.com
Teléfono:+86-755-23080616