Escribe: GPS
Certificación: Otros
Tamaño (mm):9.9*10.1
El GPS01 es un módulo GPS compatible con la navegación en modo dual con puntos de frecuencia BDS B1/GPS L1/GLONASS L1 (dos de tres). Ofrece soluciones de posicionamiento y navegación de alta sensibilidad, alta precisión de posicionamiento, bajo consumo de energía y bajo coste para la fabricación de terminales de navegación y posicionamiento, como vehículos, embarcaciones, dispositivos portátiles y wearables.
| Parámetro | Descripción | Mínimo | Típico | Máximo | Unidad | Condición |
| Condiciones de funcionamiento | ||||||
| Rango de voltaje de funcionamiento | VCC | 3.0 | 3.3 | 3.5 | V | |
| V_BCKP | 2.5 | 3.3 | 3.5 | V | ||
| Temperatura | Trabajar | -40 | 85 | °C | ||
| Almacenamiento | -40 | 125 | °C | |||
| Consumo actual | ||||||
| Recibir corriente | <30 | mamá | VCC=3,3 V, V_BCKP=3,3 V | |||
| Corriente de sueño | < 20 | uA | VCC=0 V, V_BCKP=3,3 V | |||
| Parámetros de radiofrecuencia | ||||||
| Precisión de posicionamiento | Nivel | < 3 | metro | @Terreno abierto | ||
| Elevación | < 4.5 | metro | ||||
| Sensibilidad | captura | -147 | dBm | |||
| pista | -163 | dBm | ||||
| Ganancia de antena externa | 30 | dB | ||||
| Precisión de la medición de velocidad | < 0,1 | EM | ||||
| Tiempo de primera corrección TTFF | Arranque en frío | < 28 | s | |||
| Arranque en caliente | 1 | s | ||||
| Reconquista | 1 | s | ||||
| Parámetros del puerto serie | ||||||
| Velocidad en baudios del puerto serie | 4800 | 9600 | 230400 | puntos básicos | 9600 bps predeterminados | |
| Tasa de actualización de datos (sistema único) | BDS/GPS/GLONASS | 1 | Hz | |||
| Tasa de actualización de datos (sistema dual) | BDS+GPS | 1 | Hz | |||
| BDS+GLONASS | 1 | Hz | ||||
| GPS+GLONASS | 1 | Hz | ||||
| Tipo | GPS |
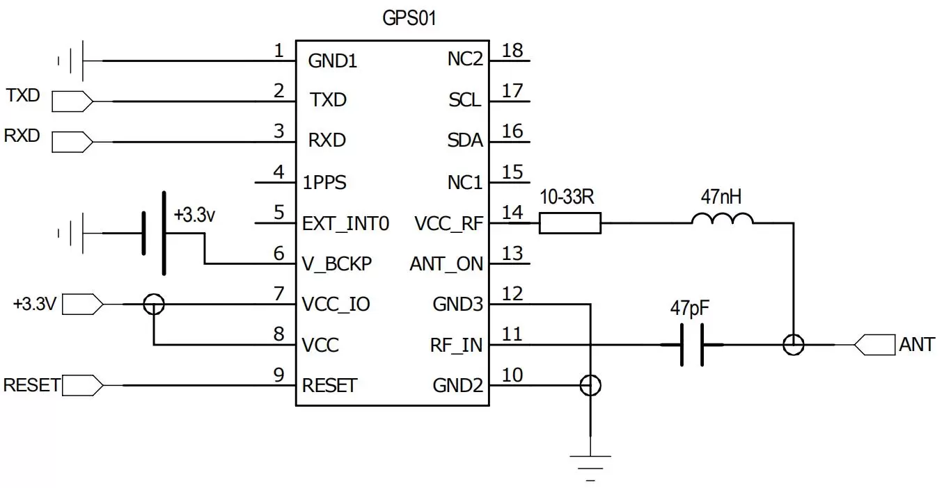
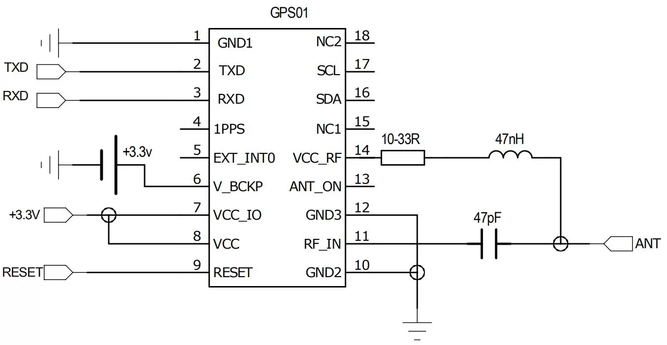
El método de conexión de la antena activa es el siguiente:

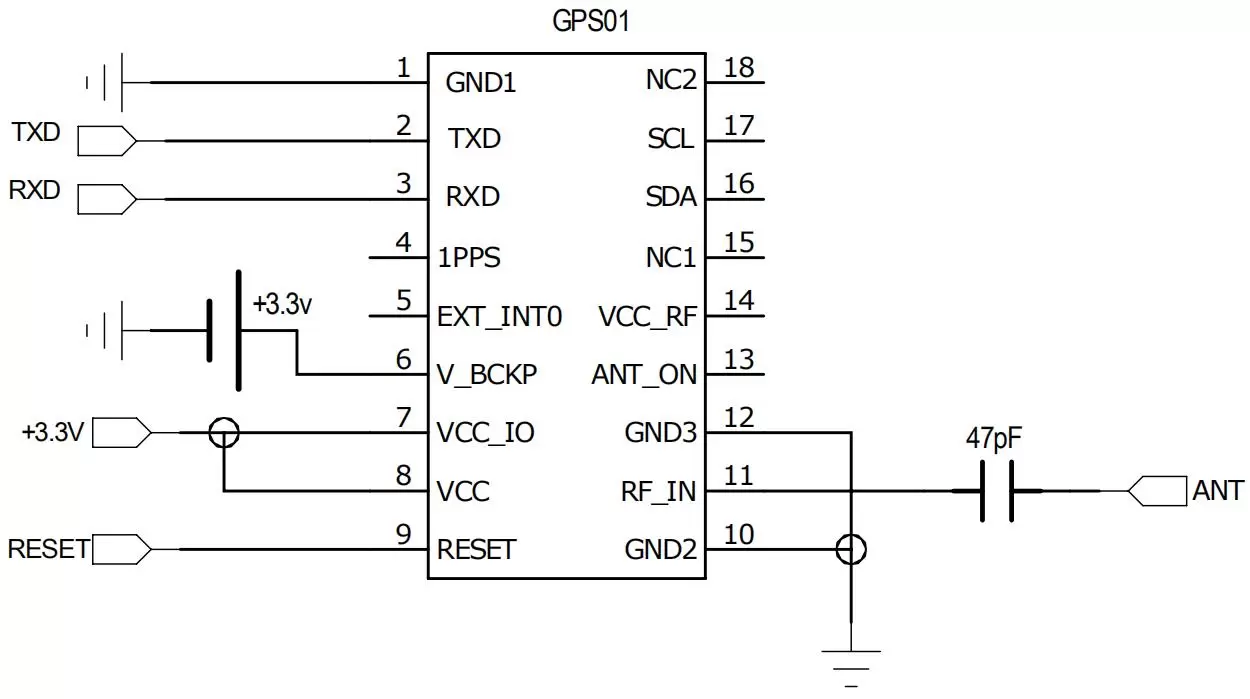
El método de conexión de la antena pasiva es el siguiente:



Número PIN | Definición de pin | E/S | Nivel estándar | Descripción |
1, 10, 12 | Tierra | — |
| Tierra de energía |
2 | TXD | Oh | 0-3,5 V | Salida de datos, salida de estado |
3 | RXD | I | 0-3,5 V | Recepción de comandos de control |
4 | 1 PPS | Oh | 0-3,5 V | Salida de segundo pulso |
5 | EXT_INT0 | I | 0-3,5 V | puerto reservado |
6 | V_BCKP | I | 2,5-3,5 V | Entrada de energía de respaldo |
7 | VCC_IO | — | 3,0-3,5 V | Entrada de energía de E/S |
8 | VCC | — | 3,0-3,5 V | Entrada de alimentación principal |
9 | nREINICIAR | I | 0-3,5 V | Reinicio externo, nivel bajo activo. El pin de reinicio no se puede conectar al condensador de tierra externo al módulo. |
11 | RF_IN | I |
| Entrada de antena |
13 | ANT_ON | Oh | 0-3,5 V | IC GPIO incorporado, función reservada |
14 | VCC_RF | Oh | VCC | Salida de 3,3 V, la antena es alimentada por el módulo y se recomienda que la corriente de funcionamiento de la antena no supere los 20 mA. |
15、18 | CAROLINA DEL NORTE | — |
|
|
16 | Adventista del Séptimo Día | E/S | 0-3,5 V | Señal de datos de la interfaz DDC de dos cables |
17 | SCL | I | 0-3,5 V | Señal de reloj de la interfaz DDC de dos cables |

política de privacidad
· Política de privacidad
Actualmente no hay contenido disponible
Correo electrónico:sales@nicerf.com
Teléfono:+86-755-23080616