Certification: Others
Modulation: LoRa
Chip: SX1278
Interface: SPI
Output Power: 1W
Frequency: 433MHz,470MHz
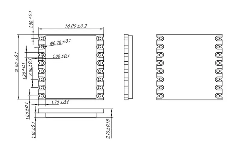
Tamaño (mm):38*20
LoRa1278-C1 utiliza estrictamente un proceso sin plomo para su producción y pruebas, y cumple con los estándares RoHS y Reach.
LoRa1276-C1 y LoRa1276-C1-868 han obtenido la certificación CE, y LoRa1276-C1-915 ha obtenido la identificación FCC y la identificación IC.
| Parámetro | Mínimo | Típico. | Máx. | Unidad | Condición |
| Condición de operación | |||||
| Voltaje de trabajo | 1.8 | 3.3 | 3.7 | V | |
| Rango de temperatura | -40 | 85 | °C | ||
| Consumo actual | |||||
| Corriente RX | 10.8 | mamá | |||
| Corriente TX | 120 | mamá | @20dBm | ||
| Corriente de sueño | 1 | uA | |||
| Parámetro de RF | |||||
| Rango de frecuencia | 403 | 433 | 463 | megahercio | @433 MHz |
| 470 | 489.92 | 510 | megahercio | @470 MHz | |
| Velocidad de datos | 1.2 | 300 | Kbps | FSK | |
| 0.018 | 37.5 | Kbps | LoRa | ||
| Potencia de salida | -1 | 20 | dBm | ||
| Sensibilidad de recepción | -123 | dBm | Datos @FSK=1,2 kbps, Fdev=10 kHz | ||
| -139 | dBm | @LoRa BW=125KHz_SF = 12_CR=4/5 | |||
| Interfaz | SPI |
| Chip | SX1278 |
| Frecuencia | 433 MHz, 470 MHz |
| Modulación | LoRa |
| Potencia de salida | 100 mW |



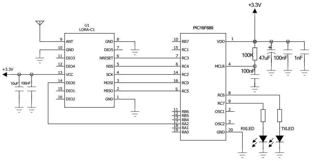
| Pin N.º | Nombre del pin | Descripción |
| 1 | Tierra | tierra de alimentación |
| 2 | MISO | Salida SPI para datos SPI |
| 3 | MOSI | Entrada SPI para datos SPI |
| 4 | SCK | Reloj serie para interfaz SPI |
| 5 | Sistema Nacional de Seguridad | Habilitación de SPI |
| 6 | NRESET | Restablecer entrada |
| 7 | DIO5 | E/S digitales, personalizables |
| 8 | Tierra | tierra de alimentación |
| 9 | HORMIGA | Conectar con antena coaxial de 50 ohmios |
| 10 | Tierra | tierra de alimentación |
| 11 | DIO3 | E/S digitales, personalizables |
| 12 | DIO4 | E/S digitales, personalizables |
| 13 | VCC | Fuente de alimentación conectada (predeterminada 3,3 V) |
| 14 | DIO0 | E/S digitales, personalizables |
| 15 | DIO1 | E/S digitales, personalizables |
| 16 | DIO2 | E/S digitales, personalizables |


política de privacidad
· Política de privacidad
Actualmente no hay contenido disponible
Correo electrónico:sales@nicerf.com
Teléfono:+86-755-23080616