Certification: Others
Modulation: LoRa
Chip: SX1268
Interface: SPI
Output Power: 2W
Frequency: 433MHz
Tamaño (mm):38*20
Parámetro | Mín . | Típico. | Máx. | Unidad | Condición |
Condición de operación C | |||||
Voltaje de trabajo | 3 | 5 | 6.5 | V | |
Rango de temperatura | -40 | 25 | 85 | °C | |
Consumo actual | |||||
Corriente RX | < 5 | mamá | a 433 MHz , 470 MHz a 5 V | ||
< 7 | mamá | a 868 MHz , 915 MHz a 5 V | |||
Corriente TX | 500 | 60 0 | mamá | @5 V 30 dBm , 433 MHz , 470 MHz | |
600 | 700 | mamá | @5 V 30 dBm , 868 MHz , 915 MHz | ||
750 | 850 | mamá | @6 V 33 dBm @4 33 MHz , 470 MHz | ||
Corriente de sueño | < 2 | uA | a 433 MHz , 470 MHz | ||
< 5 | uA | a 868 MHz , 915 MHz | |||
Parámetros de RF | |||||
Rango de frecuencia | 400 | 433 | 460 | megahercio | @433 MHz |
470 | 4 9 0 | 510 | megahercio | a 470 MHz | |
848 | 868 | 888 | megahercio | @868 MHz | |
900 | 915 | 940 | megahercio | @915 MHz | |
Velocidad de datos | 1.2 | 300 | Kbps | @FSK | |
0.018 | 62.5 | Kbps | @Lo R a | ||
Potencia de salida | 31 | 3 3 | dBm | a 433 MHz , 470 MHz a 5 V | |
29 | 3 1 | dBm | @868 MHz , 915 MHz a 5 V | ||
Software ajustable rango de potencia | 1 2 | 3 2 | dBm | a 433 MHz , 470 MHz a 5 V | |
1 | 3 0 | dBm | a 868 MHz, 915 MHz a 5 V | ||
Sensibilidad de recepción | -122 | dBm | Datos @FSK=1,2 Kbps Fdev=50 KHz | ||
-139 | dBm | @Lora BW= 62,5 KHz SF= 12 CR=4/5 | |||
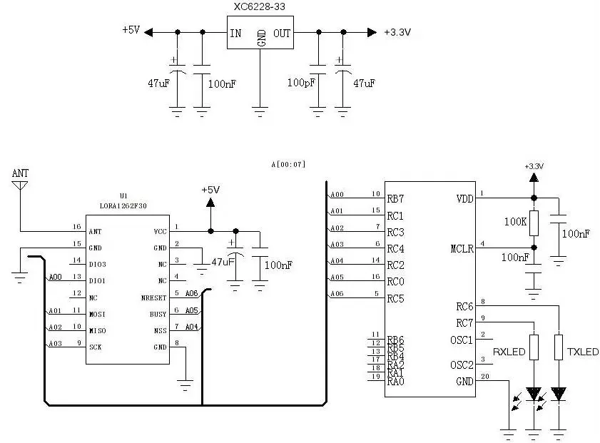
| Interfaz | SPI |
| Chip | SX1262 |
| Frecuencia | 868 MHz, 915 MHz |
| Modulación | LoRa |
| Potencia de salida | 2W |


| Pin N.º | Nombre del pin | Descripción |
| 1 | VCC | Fuente de alimentación |
| 2 | Tierra | tierra de alimentación |
| 3.4.12 | CAROLINA DEL NORTE | Vacío |
| 5 | NRESET | tierra de alimentación |
| 6 | OCUPADO | Se utiliza para indicar el estado, consulte los datos del chip para obtener más detalles. |
| 7 | Sistema Nacional de Seguridad | Habilitación de SPI |
| 8 | Tierra | tierra de alimentación |
| 9 | SCK | Reloj serie para interfaz SPI |
| 10 | MISO | Salida SPI para datos SPI |
| 11 | MOSI | Entrada SPI para datos SPI |
| 13 | DIO1 | E/S digitales, personalizables |
| 14 | DIO3 | E/S digitales, personalizables |
| 15 | Tierra | tierra de alimentación |
| 16 | HORMIGA | Conectar con antena coaxial de 50 ohmios |


política de privacidad
· Política de privacidad
Actualmente no hay contenido disponible
Correo electrónico:sales@nicerf.com
Teléfono:+86-755-23080616