Certificación: Otros
Modulación: LoRa
Chip: LR1120
Interfaz: SPI
Potencia de salida: 160 mW
Frecuencia: 433MHz,470 MHz,490 MHz,868 MHz,915 MHz,2,4 GHz,1,9G
Tamaño (mm):19,72*15
El módulo LoRa1121F33-2G4 se basa en el chip LR1121 de SEMTECH, un transceptor LoRa de ultra bajo consumo y largo alcance compatible con las bandas Sub-GHz y 2.4G. Admite LoRa, modulación (G)FSK, protocolo Sigfox y LR-FHSS. Es compatible con el protocolo de comunicación LoRaWAN y puede funcionar como un nodo LoRaWAN. Además, ofrece opciones de configuración flexibles para satisfacer los requisitos de diversas aplicaciones y protocolos propietarios.
Parámetros | Condición de prueba | Mín. | Típico. | Máximo | Unidad |
Rango de voltaje | 3.0 | 5 | 5.5 | V | |
Temperatura de funcionamiento | - 4 0 | 25 | 85 | °C | |
Señal de entrada máxima | 10 | dBm | |||
Consumo actual | |||||
Corriente de transmisión | 433 MHz, 5 V, 2 W | < 900 | mamá | ||
@2,4 GHz, 5 V, 1 W, potencia de transmisión = 5 | < 1200 | mamá | |||
Recibir corriente | @ Sub- G | < 8 | mamá | ||
@2.4G | < 24 | 29 | mamá | ||
Corriente de sueño | < 20 | uA | |||
Parámetros de RF | |||||
Rango de frecuencia | @433 MHz | 400 | 470 | megahercio | |
@470 MHz | 470 | 510 | megahercio | ||
@868 MHz | 850 | 890 | megahercio | ||
@915 MHz | 900 | 940 | megahercio | ||
Potencia de transmisión | @sub-GHz | 18 | 33 | dBm | |
@Bandas de 2,4 G | 22 | 30 | dBm | ||
Sensibilidad de recepción | Ancho de banda = 62,5 kHz, frecuencia de campo = 12 @ Sub -GHz | -142 | dBm | ||
Ancho de banda = 406 kHz, frecuencia de corte = 7 @Bandas de 2,4 G | -129 | dBm | |||
Error de frecuencia | 0.5 | ppm | |||
Tasa de modulación (@sub-GHz) | @LoRa | 0.091 | 62.5 | Kbps | |
@FSK | 0.6 | 300 | Kbps | ||
Tasa de modulación ( bandas de 2,4 G ) | @LoRa | 0.476 | 101.5 | Kbps | |
Bandas sub-GHz: 433/470/MHz 2W
Bandas sub-GHz: 868/915 MHz 1 W (personalizable: 150~960 MHz)
Bandas 2.4G: 2400 MHz ~ 2500 MHz 1 W
Sensibilidad de 2,4 GHz: hasta -129 dBm a BW=406 KHz, SF=7
Sensibilidad sub-GHz: hasta -144dBm a BW=62,5 KHz, SF=12
Protección electrostática (ESD)
Admite LR-FHSS
Admite el protocolo LoRaWAN y Sigfox
Admite cifrado y descifrado AES-128
La transmisión sub-GHz supera los 10 km en áreas abiertas
Corriente de reposo < 20 µA
Tamaño pequeño, diseño de agujero de sello.
Drones
Riego remoto
Hogar inteligente/Agricultura inteligente
Fabricación industrial


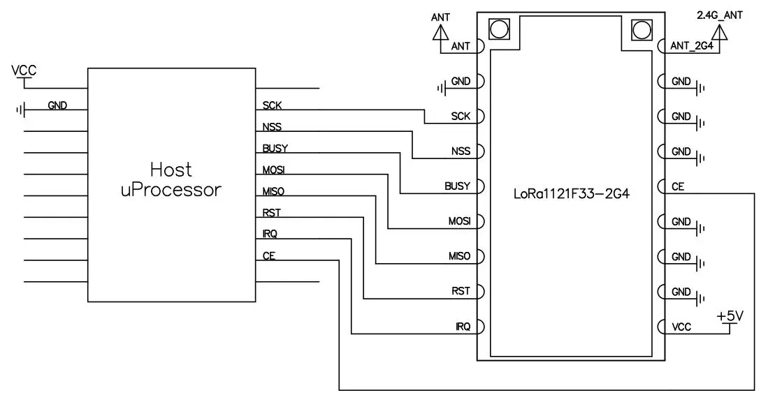
Pin N.º | Nombre del pin | E/S | Nivel IO | Descripción |
1 | VCC | Conectar a la fuente de alimentación positiva | ||
2,3,4,6,7,8,11 | Tierra | Conectar a la fuente de alimentación negativa | ||
5 | CE | I | 0-5,5 V | Pin de control de habilitación LDO interno , activar o dejar flotante para operar, conectar a tierra para modo de suspensión. Activación interna. |
9 | ANT_ 2 G 4 | Interfaz de antena de 2,4 GHz , antena externa de 50 Ω | ||
10 | HORMIGA | Interfaz de antena Sub-G, antena externa de 50 Ω | ||
12 | SCK | I | 0-3,3 V | Entrada de reloj SPI |
13 | Sistema Nacional de Seguridad | I | 0-3,3 V | Entrada de selección de chip SPI |
14 | OCUPADO | Oh | 0-3,3 V | Se utiliza para indicar el estado, consulte la hoja de datos del chip para obtener más detalles. |
15 | MOSI | I | 0-3,3 V | Entrada de datos SPI |
16 | MISO | Oh | 0-3,3 V | Salida de datos SPI |
17 | REINICIAR | I | 0-3,3 V | Restablecer la entrada del disparador, consulte la hoja de datos del chip para obtener más detalles |
18 | IRQ | Oh | 0-3,3 V | Interfaz digital multipropósito, consulte la hoja de datos del chip para obtener más detalles |

política de privacidad
· Política de privacidad
Actualmente no hay contenido disponible
Correo electrónico:sales@nicerf.com
Teléfono:+86-755-23080616