Escribe: Módulos frontales LoRa
Certificación: CE-ROJO
Modulación: LoRa
Chip: LLCC68
Interfaz: SPI
Potencia de salida: 160 mW
Frecuencia: 868 MHz
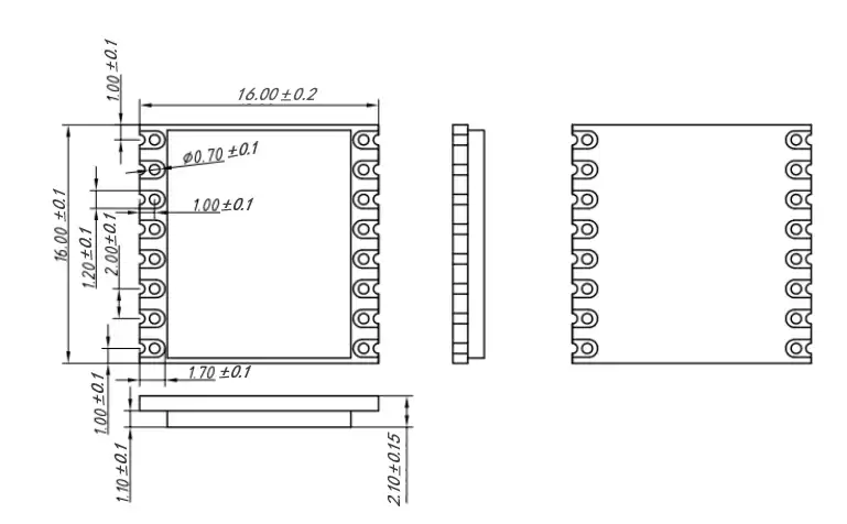
Tamaño (mm):16*16
★Nota: El módulo de envío predeterminado utiliza un oscilador de cristal industrial de 10 ppm, el oscilador de cristal TCXO es opcional para requisitos especiales:
| Parámetro | Mín. | Típico. | Máx. | Unidad | Condición |
| Condición de funcionamiento (Vcc = 3,3 V, ANT a 50 ohmios) | |||||
| Voltaje de trabajo | 1.8 | 3.3 | 3.7 | V | |
| Rango de temperatura | -40 | 25 | 85 | °C | |
| Consumo actual | |||||
| Corriente RX | < 5 | mamá | Oscilador de cristal de 10 ppm | ||
| Corriente TX | < 130 | mamá | @868MHz @915MHz | ||
| < 110 | mamá | @433 MHz @490 MHz | |||
| Corriente de sueño | 1.9 | uA | Modo APAGADO (modo SLEEP con arranque en frío) Todos los bloques apagados | ||
| 2.3 | uA | Modo SLEEP (modo SLEEP con arranque en caliente) Configuración conservada | |||
| 2.9 | uA | Modo SLEEP (modo SLEEP con arranque en caliente) Configuración conservada + RC64k | |||
| 0,56 | mamá | Modo STDBY_RC, RC13M, XOSC DESACTIVADO | |||
| 2.35 | mamá | Modo STDBY_XOSC, XOSC activado | |||
| Parámetro de RF | |||||
| Rango de frecuencia | 400 | 433 | 450 | megahercio | @433 MHz |
| 470 | 490 | 510 | megahercio | @490 MHz | |
| 848 | 868 | 888 | megahercio | @868 MHz | |
| 900 | 915 | 940 | megahercio | @915 MHz | |
| Potencia de salida | -15 | 22 | dBm | ||
| Sensibilidad de recepción | -129 | dBm | @LoRa BW=250KHz_SF = 10_CR=4/5 | ||
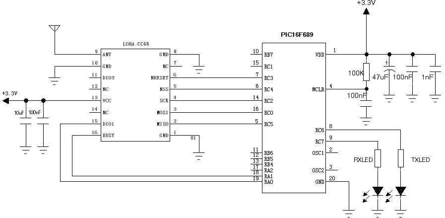
| Interfaz | SPI |
| Chip | LLCC68 |
| Frecuencia | 433 MHz, 470 MHz, 868 MHz, 915 MHz |
| Modulación | LoRa |
| Potencia de salida | 160 mW |
| Proceso de dar un título | Identificación de la FCC, CE-RED |


| Pin N.º | Nombre del pin | Descripción |
| 1 | Tierra | tierra de alimentación |
| 2 | MISO | Salida SPI |
| 3 | MOSI | Entrada SPI |
| 4 | SCK | Reloj serial |
| 5 | Sistema Nacional de Seguridad | Habilitación de SPI |
| 6 | NRESET | Restablecer entrada |
| 7, 12, 14 | CAROLINA DEL NORTE | Vacío |
| 8 | Tierra | Tierra de energía |
| 9 | HORMIGA | Conectar con antena de 50 ohmios |
| 10 | Tierra | Tierra de energía |
| 11 | DIO3 | Se puede personalizar como indicación de señal de interrupción, detalles en la hoja de datos del chip (Nota: salida para controlar TCXO cuando se utiliza el cristal TCXO) |
| 13 | VCC | Fuente de alimentación (predeterminada 3,3 V) |
| 15 | DIO1 | Se puede personalizar como indicación de señal de interrupción, detalles en la hoja de datos del chip |
| 16 | OCUPADO | Se utiliza para indicar el estado, consulte la hoja de datos para obtener más detalles. |

política de privacidad
· Política de privacidad
Actualmente no hay contenido disponible
Correo electrónico:sales@nicerf.com
Teléfono:+86-755-23080616