Escribe: Módulos frontales LoRa
Certificación: CE-ROJO
Modulación: LoRa
Chip: LLCC68
Interfaz: SPI
Potencia de salida: 160 mW
Frecuencia: 868 MHz
Tamaño (mm):16*16
El módulo inalámbrico LoRa-CC68-868- T incorpora el dispositivo LLCC68 de Semtech y un oscilador de cristal industrial de alta precisión, lo que le confiere una corriente de recepción ultrabaja, una corriente de reposo baja y una buena sensibilidad de -129 dBm. Gracias a su oscilador de 64 kHz integrado , puede reactivar periódicamente el microcontrolador externo con un bajo consumo de energía . El módulo integra un interruptor de antena controlado por el chip de RF , lo que optimiza los recursos del MCU externo. Además, el Lora-CC68 presenta un tamaño compacto y una potencia de salida de 22 dBm (160 mW) , lo que lo convierte en una excelente opción para aplicaciones de IoT y de baterías.
El LoRa-CC68 se fabrica y prueba estrictamente mediante procesos sin plomo y cumple con las normas RoHS y Reach. Además, cuenta con certificación CE a 868 MHz y FCC a 915 MHz .
N.º de pieza | Banda de frecuencia | Cristal | Proceso de dar un título | Observación |
★ CC68-C1-433 | Centro 433MHz 410-810 MHz personalizable | Oscilador de cristal de grado industrial de 10 ppm | NO | Blindaje |
LoRa-CC68-433 - TCXO | Oscilador de cristal TCXO de 0,5 ppm | NO | ||
★ CC68-C1-490 | Centro 490MHz 41 0-810 MHz Personalizable | Oscilador de cristal de grado industrial de 10 ppm | NO | |
LoRa-CC68-490-TCXO | Oscilador de cristal TCXO de 0,5 ppm | NO | ||
★ CC68-C1-868 | Frecuencia central 868 y 915 c común | Oscilador de cristal de grado industrial de 10 ppm | CE y FCC | |
LoRa-CC68-868 -TCXO | Centro 868 MHz | Oscilador de cristal TCXO de 0,5 ppm | CE | |
LoRa-CC68-915 - TCXO | Centro 915 MHz | Comisión Federal de Comunicaciones (FCC) | ||
LoRa-CC68 - X1 | Centro 433 / 490 / 868/915 MHz 150-960 MHz personalizable | Oscilador de cristal de grado industrial de 10 ppm | NO | Sin escudo , tamaño pequeño |
Lora-CC68 | 868- d. C., 915-FCC | Blindaje |
★ Nota: El módulo de envío predeterminado utiliza un oscilador de cristal industrial de 10 ppm , el oscilador de cristal TCXO es opcional para requisitos especiales:
Parámetro | Mín. | Típico. | Máx . | Unidad | Condición |
Condición de operación (Vcc=3,3 V, ANT a 50 ohmios) | |||||
Voltaje de trabajo | 1.8 | 3.3 | 3.7 | V | |
Rango de temperatura | -40 | 25 | 85 | °C | |
Consumo actual | |||||
Corriente RX | < 5 | mamá | Oscilador de cristal de 10 ppm | ||
< 6.5 | mamá | @ Cristal TCXO | |||
Corriente TX | < 130 | mamá | @868MHz @915MHz | ||
< 110 | mamá | @433 MHz @490 MHz | |||
Corriente de sueño | 1.9 | uA | Modo APAGADO (modo SUSPENSIÓN con arranque en frío) Todos los bloques apagados | ||
2.3 | uA | Modo SLEEP (modo SLEEP con arranque en caliente) Configuración conservada | |||
2.9 | uA | Modo SLEEP (modo SLEEP con arranque en caliente) Configuración conservada + RC64k | |||
0,56 | mamá | Modo STDBY_RC , RC13M, XOSC APAGADO | |||
2.35 | mamá | Modo STDBY_XOSC , XOSC activado | |||
Parámetro de RF | |||||
Rango de frecuencia | 400 | 433 | 450 | megahercio | @433 MHz |
470 | 489.92 | 510 | megahercio | @470 MHz | |
848 | 868 | 888 | megahercio | @868 MHz | |
900 | 915 | 940 | megahercio | @915 MHz | |
Potencia de salida | -15 | 22 | dBm | ||
Sensibilidad de recepción | -129 | dBm | @LoRa BW=250KHz_SF = 10_CR=4/5 | ||
| Interfaz | SPI |
| Chip | LLCC68 |
| Frecuencia | 868 MHz |
| Modulación | LoRa |
| Potencia de salida | 160 mW |
| Proceso de dar un título | CE-ROJO |
Banda de frecuencia : 433/490/868/915 MHz ( personalizable de 150 a 960 MHz )
Sensibilidad : -1 29 dBm @Lo R a
Potencia máxima de salida : 22 dBm ( 160 mW )
Oscilador de cristal de alta precisión de grado industrial
Lo R a,(G)FSK
25 5 bytes F i F o
Velocidad de datos : 0,6-300 Kbps @FSK 1,76-62,5 Kbps @Lora
Lectura de contadores industriales
Gestión de sensores de estacionamiento
Automatización industrial
Sensor agrícola
Ciudad inteligente
Mando a distancia
luces de la calle
Gestión logística
Sensor ambiental
Productos de salud
Productos de seguridad
Gestión de almacenes


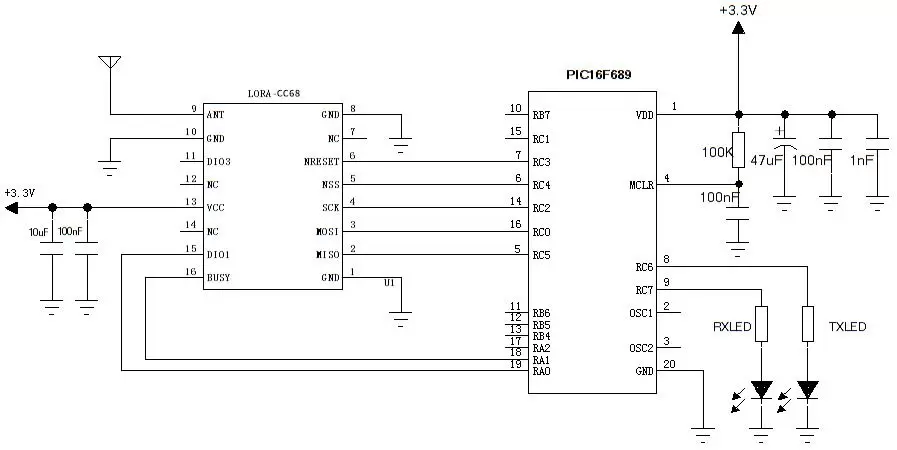
Pin N.º | Nombre del pin | Descripción |
1 | Tierra | Tierra de energía |
2 | MISO | Salida SPI |
3 | MOSI | Entrada SPI |
4 | SCK | Reloj serial |
5 | Sistema Nacional de Seguridad | Habilitación de SPI |
6 | NRESET | Restablecer entrada |
7 , 12 , 14 | CAROLINA DEL NORTE | Vacío |
8 | Tierra | Tierra de energía |
9 | HORMIGA | Conectar con antena de 50 ohmios |
10 | Tierra | Tierra de energía |
11 | DIO3 | Se puede personalizar como indicación de señal de interrupción, detalles en la hoja de datos del chip (Nota: salida para controlar TCXO cuando se utiliza el cristal TCXO ) |
13 | VCC | Fuente de alimentación ( predeterminada 3,3 V ) |
15 | DIO1 | Se puede personalizar como indicación de señal de interrupción, detalles en la hoja de datos del chip |
16 | OCUPADO | Indicación de estado ocupado , detalles en la hoja de datos del chip . |

política de privacidad
· Política de privacidad
Actualmente no hay contenido disponible
Correo electrónico:sales@nicerf.com
Teléfono:+86-755-23080616