RF4432X1: Transceptor de bajo costo Si4432 que utiliza
Certificación: Otros
Modulación: (G)FSK
Chip: si4432
Interfaz: SPI
Potencia de salida: 100 mW
Frecuencia: 315 MHz,433MHz,470 MHz,868 MHz,915 MHz
Tamaño (mm):16*16
| Parámetro | Mínimo | Típico. | Máx. | Unidad | Condición |
| Condición de operación | |||||
| Rango de voltaje de trabajo | 1.8 | 3.3 | 3.6 | V | |
| Voltaje de temperatura | -40 | 85 | °C | ||
| Consumo actual | |||||
| Corriente RX | 18.5 | mamá | |||
| Corriente TX | 85 | mamá | @20dBm | ||
| Corriente de sueño | < 1 | uA | |||
| Parámetro de RF | |||||
| Rango de frecuencia | 403 | 433 | 463 | megahercio | @433 MHz |
| 470 | 490 | 510 | megahercio | @470 MHz | |
| 838 | 868 | 898 | megahercio | @868 MHz | |
| 900 | 915 | 930 | megahercio | @915 MHz | |
| Tasa de modulación | 0.123 | 256 | Kbps | FSK | |
| Rango de potencia de salida | 1 | 20 | dBm | ||
| Sensibilidad de recepción | -121 | dBm | @Velocidad de datos=1,2 Kbps | ||
| Modulación | (G)FSK |
| Chip | si4432 |
| Frecuencia | 315 MHz, 433 MHz, 470 MHz, 868 MHz, 915 MHz |
| Potencia de salida | 100 mW |
| Interfaz | SPI |


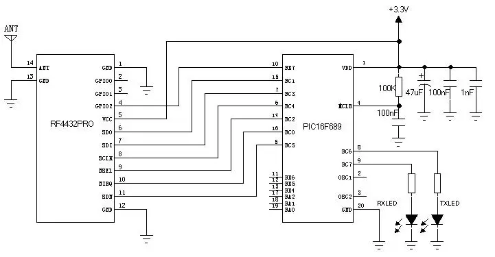
| Pin N.º | Nombre del pin | Descripción |
| 1 | Tierra | Tierra de energía |
| 2 | GPIO0 | El pin de control del interruptor del transmisor está conectado dentro del módulo. |
| 3 | GPIO1 | El pin de control del interruptor del transmisor está conectado dentro del módulo. |
| 4 | GPIO2 | Conectar directamente al pin GPIO2 del chip |
| 5 | VCC | Fuente de alimentación positiva 3,3 V |
| 6 | Organización de Desarrollo de los Recursos Naturales (SDO) | Salida digital 0~VDD V, proporciona función de lectura en serie al registro de control interno. |
| 7 | IDE | Entrada de datos en serie. Entrada digital 0~VDD V. Este pin es un bus de flujo de datos en serie de 4 cables. |
| 8 | SCLK | Entrada de reloj en serie. Entrada digital 0~VDD V. Este pin proporciona una función de reloj de datos en serie de 4 cables. |
| 9 | nSEL | Pin de entrada de selección de interfaz serial. Entrada digital 0~VDD V. Este pin permite seleccionar/habilitar el bus de datos serial de 4 hilos. Esta señal también se utiliza para indicar el modo de lectura/escritura en ráfaga. |
| 10 | nIRQ | Interrumpir la salida |
| 11 | SDN | Pin de habilitación del chip. Entrada digital V 0~VDD. SDN=0 en todos los modos excepto en el modo apagado. Cuando SDN=1, el chip se apagará completamente y se perderá el contenido del registro. |
| 12 | Tierra | Tierra de energía |
| 13 | Tierra | Tierra de energía |
| 14 | HORMIGA | Conectar con antena coaxial de 50 ohmios |


política de privacidad
· Política de privacidad
Actualmente no hay contenido disponible
Correo electrónico:sales@nicerf.com
Teléfono:+86-755-23080616