Type: (G)FSK Front-End Modules
Certification: FCC ID,IC ID
Modulation: (G)FSK
Chip: si4463
Interfacce: SPI
Output Power: 100mW
Frequency: 915MHz
Tamaño (mm):17.3*17
Modelo de pedido | Tipo de producto (personalizable 142-1050 MHz) |
RF4463PRO-150 | La banda de frecuencia central de trabajo es de 142-175 MHz. |
RF4463PRO-315 | La banda de frecuencia central de trabajo es de 300-350 MHz. |
RF4463PRO-433 | La banda de frecuencia central de trabajo es de 433 MHz. |
RF4463PRO-433-CE | La banda de frecuencia del centro de trabajo es de 433 MHz, versión con certificación CE. |
RF4463PRO-433-FCC | La banda de frecuencia del centro de trabajo es de 433 MHz, versión certificada por la FCC. |
RF4463PRO-470 | La banda de frecuencia central de trabajo es de 470 MHz. |
RF4463PRO-868 | La banda de frecuencia central de trabajo es 868 MHz |
RF4463PRO-868-CE | La banda de frecuencia del centro de trabajo es de 868 MHz, versión con certificación CE. |
RF4463PRO-915 | La banda de frecuencia del centro de trabajo es de 915 MHz, ha pasado las certificaciones FCC e IC. |
| Parámetro | Mínimo | Típico | Máximo | Unidad | Condición |
| Condiciones de trabajo | |||||
| Rango de voltaje de trabajo | 1.8 | 3.3 | 3.6 | V | |
| Voltaje de temperatura | -40 | 85 | °C | ||
| Consumo actual | |||||
| Recibiendo corriente | 13.5 | mamá | Modo de alto rendimiento | ||
| Recibiendo corriente | 10.7 | mamá | Modo de bajo consumo | ||
| Corriente de transmisión | 85 | mamá | @20dBm | ||
| Corriente de sueño | < 0,1 | uA | |||
| Parámetro de RF | |||||
| Rango de frecuencia | 142 | 150 | 175 | megahercio | @150 MHz |
| 300 | 315 | 350 | megahercio | a 350 MHz | |
| 403 | 433 | 463 | megahercio | @433 MHz | |
| 470 | 490 | 510 | megahercio | @470 MHz | |
| 820 | 868 | 880 | megahercio | @868 MHz, 19 dBm | |
| 900 | 915 | 930 | megahercio | a 915 MHz, 18,5 dBm | |
| Tasa de modulación | 0.123 | 1000 | Kbps | FSK | |
| Rango de potencia de salida | -5 | 20 | dBm | ||
| Sensibilidad de recepción | -126 | dBm | @Velocidad de datos=500bps | ||
| Modulación | (G)FSK |
| Chip | si4463 |
| Frecuencia | 433 MHz |
| Potencia de salida | 100 mW |
| Proceso de dar un título | Identificación de la FCC, CE-RED |
| Interfaz | SPI |


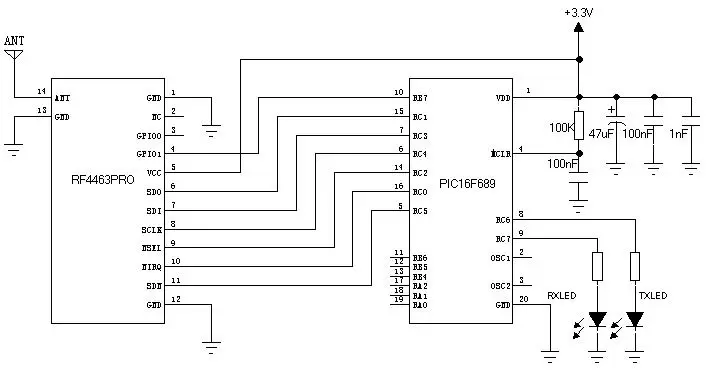
| Pin N.º | Nombre del pin | Descripción |
| 1 | Tierra | Tierra de energía |
| 2 | CAROLINA DEL NORTE | CAROLINA DEL NORTE |
| 3 | GPIO0 | Conectar directamente al pin GPIO0 del chip |
| 4 | GPIO1 | Conectar directamente al pin GPIO1 del chip |
| 5 | VCC | Fuente de alimentación positiva 3,3 V |
| 6 | Organización de Desarrollo de los Recursos Naturales (SDO) | Salida digital de 0 a VDD V, proporciona una función de lectura en serie al registro de control interno |
| 7 | IDE | Entrada de datos en serie. Entrada digital 0~VDD V. Este pin es un bus de flujo de datos en serie de 4 cables. |
| 8 | SCLK | Entrada de reloj en serie. Entrada digital 0~VDD V. Este pin proporciona una función de reloj de datos en serie de 4 cables. |
| 9 | nSEL | Pin de entrada de selección de interfaz serial. Entrada digital 0~VDD V. Este pin permite seleccionar/habilitar el bus de datos serial de 4 hilos. Esta señal también se utiliza para indicar el modo de lectura/escritura en ráfaga. |
| 10 | nIRQ | Interrumpir la salida |
| 11 | SDN | Pin de habilitación del chip. Entrada digital V 0~VDD. SDN=0 en todos los modos excepto en el modo apagado. Cuando SDN=1, el chip se apagará completamente y se perderá el contenido del registro. |
| 12 | Tierra | Tierra de energía |
| 13 | Tierra | Tierra de energía |
| 14 | HORMIGA | Conectar con antena coaxial de 50 ohmios |

política de privacidad
· Política de privacidad
Actualmente no hay contenido disponible
Correo electrónico:sales@nicerf.com
Teléfono:+86-755-23080616