Contáctenos
| Parámetros | Mín. | Típico. | Máx. | Unidad | Condición |
| Condiciones de trabajo | |||||
| Rango de voltaje | 3.3 | 5.0 | 6.5 | V | |
| Temperatura de funcionamiento | -40 | 25 | +85 | °C | |
| Consumo actual | |||||
| Corriente Rx | 25 | mamá | Nivel TTL | ||
| 34 | mamá | Nivel 485 | |||
| Corriente de transmisión | 350 | mamá | @27dBm | ||
| Corriente de sueño | <5 | uA | Nivel @TTL | ||
| Parámetros de RF | |||||
| Rango de frecuencia | 414.92 | 433.92 | 453.92 | megahercio | @433 MHz |
| 470.92 | 489.92 | 509.92 | megahercio | @470 MHz | |
| 849.92 | 868.92 | 888.92 | megahercio | @868 MHz | |
| 895.92 | 914.92 | 934.92 | megahercio | @915 MHz | |
| Velocidad de datos | 1.2 | 9.6 | 115.2 | Kbps | GFSK |
| Potencia de salida | 20 | / | +27 | dBm | |
| Sensibilidad | -121 | dBm | @1,2 kbps | ||
| Interfaz | TTL, RS485 |
| Red | ESTRELLA,Punto a punto |
| Frecuencia | 433 MHz, 470 MHz, 868 MHz, 915 MHz |
| Modulación | (G)FSK |
| Potencia de salida | 500 mW |


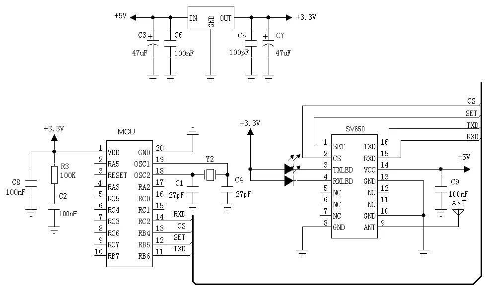
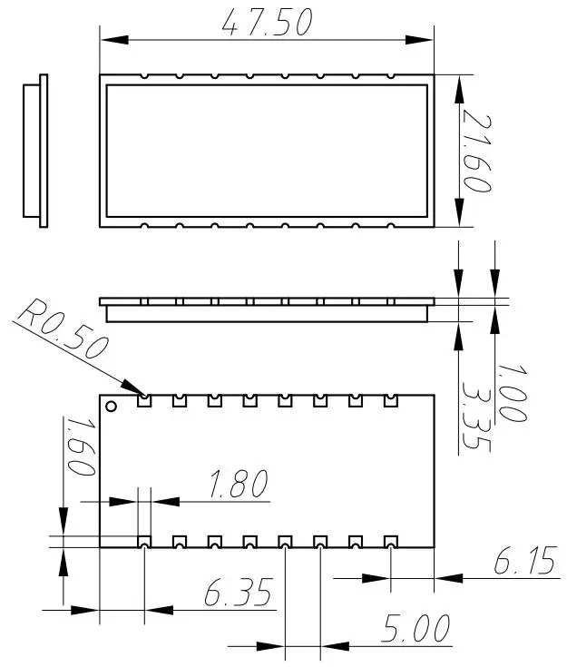
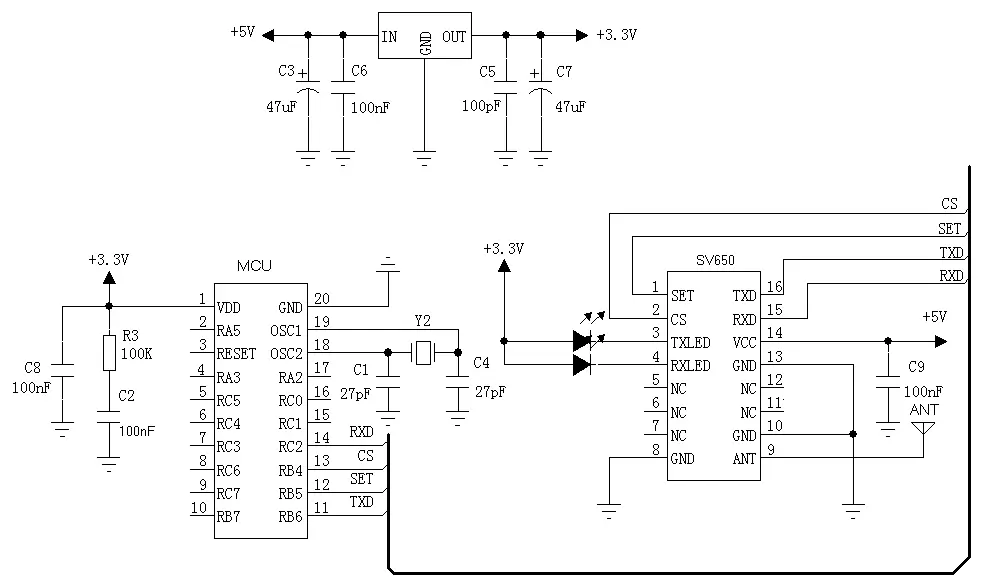
| N.º de pin | Definición | Descripción |
| 1 | COLOCAR | Habilitar parámetros de configuración (bajo para habilitar los parámetros de configuración, salida de alto nivel predeterminada) |
| 2 | CS | El módulo está habilitado (baja inactividad, la corriente es inferior a 5 uA, salida de alto nivel predeterminada) |
| 3 | TXLED | Pin de salida de luz emitida (activo bajo) |
| 4 | RXLED | Pin de salida del indicador de recepción (activo bajo) |
| 5 / 6 / 7 / 11 /12 | CAROLINA DEL NORTE | Vacante |
| 8/10/13 | Tierra | Conectado a tierra |
| 9 | HORMIGA | Salida de señal RF, luego una antena de 50 ohmios |
| 14 | VCC | Conectado a la fuente de alimentación positiva (típicamente 5 V) |
| 15 | TXD/A | Transmisión de datos de comunicación en serie (nivel 485, luego salida A) |
| 16 | RXD/B | Recepción de datos de comunicación en serie (nivel 485, luego salida B) |

política de privacidad
· Política de privacidad
Actualmente no hay contenido disponible
Correo electrónico:sales@nicerf.com
Teléfono:+86-755-23080616