Type: LoRa Front-End Modules
Certification: KC,ANATEL
Modulation: LoRa
Interface: TTL
Output Power: 100mw
Frequency: 433MHz,470MHz,868MHz,915MHz
Network: MESH,Point-to-point
Tamaño (mm):39,55*22,93
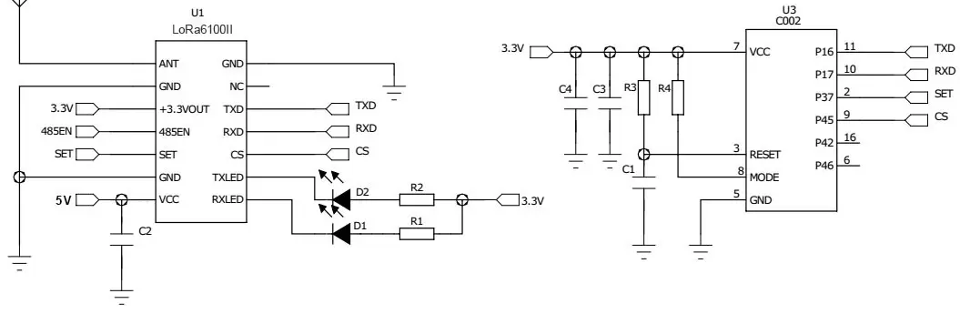
Nota: El módulo se regula internamente mediante un LDO de 3,3 V. Los pines CS y SET controlan niveles de 3,3 V. TXD y RXD también lo hacen.
| Parámetros | Mín. | Típico. | Máx. | Unidad | Condición |
| Condiciones de trabajo | |||||
| Rango de voltaje | 3.4 | 4.0 | 5.5 | V | |
| Temperatura de funcionamiento | -40 | 25 | +85 | °C | |
| Consumo actual | |||||
| Corriente Rx | <8 | mamá | Nivel TTL | ||
| Corriente de transmisión | < 1300 | mamá | @5v,33dBm, 433MHz | ||
| <1000 | mamá | @5v,31,5dBm, 915MHz | |||
| Corriente de sueño | < 240 | uA | |||
| Parámetros de RF | |||||
| Rango de frecuencia | 414.92 | 433.92 | 453.92 | megahercio | @433 MHz |
| 470.92 | 490.92 | 509.92 | megahercio | @470 MHz | |
| 849.92 | 868.92 | 888.92 | megahercio | @868 MHz | |
| 895.92 | 914.92 | 934.92 | megahercio | @915 MHz | |
| Velocidad de datos | 1312 | 62500 | puntos básicos | @LoRa | |
| Potencia de salida | 15 | +33 | dBm | Nivel de software 7 ajustable | |
| 19 | 31.5 | dBm | |||
| Sensibilidad | -129 | dBm | @1312bps | ||
| Interfaz | Tiempo de vida |
| Red | MALLA |
| Frecuencia | 433 MHz, 470 MHz, 868 MHz, 915 MHz |
| Modulación | LoRa |
| Potencia de salida | 2W |
La distancia de transmisión en área abierta de un solo módulo es de 10 a 12 km a baja velocidad.


| NO. | ALFILER | Descripción |
| 1 | RXLED | Indicador de señal de recepción, nivel bajo, valor predeterminado alto |
| 2 | TXLED | Indicador de señal de transmisión, nivel bajo, predeterminado alto |
| 3 | CS | Pin de habilitación del módulo (pull-up incorporado) Nota: Versión de fábrica predeterminada: corriente de suspensión <240 uA, CS se pone alto o se suspende para comunicación normal, suspensión en nivel bajo; Versión de bajo consumo de energía: corriente de suspensión <15 uA, comunicación normal cuando CS se pone bajo, se pone alto o flota para suspensión. |
| 4 | RXD | Recepción de datos de comunicación en serie |
| 5 | TXD | Transmisión de datos de comunicación en serie |
| 6 | CAROLINA DEL NORTE | Es inútil |
| 7 | Tierra | Tierra de la antena |
| 8 | HORMIGA | Salida de señal RF, conectada a una antena de 50 ohmios |
| 9 | Tierra | Tierra de la antena |
| 10 | Salida de +3,3 V | Pin de salida de voltaje de 3,3 V, puede controlar dispositivos dentro de los 50 mA |
| 11 | 485EN | Se puede conectar al pin de conversión de control de nivel de expansión externa 485 |
| 12 | COLOCAR | Habilitación de parámetros de configuración (configuración de parámetro de habilitación de nivel bajo, salida de nivel alto predeterminada) |
| 13 | Tierra | Conecte el polo negativo de la fuente de alimentación, cable de tierra. |
| 14 | VCC | Conecte el polo positivo de la fuente de alimentación (normalmente 4 V) |

política de privacidad
· Política de privacidad
Actualmente no hay contenido disponible
Correo electrónico:sales@nicerf.com
Teléfono:+86-755-23080616