Sep . 2025
En el panorama actual del IoT, en rápida evolución, los módulos LoRa tradicionales de bajo consumo ya no satisfacen las necesidades de las aplicaciones más exigentes. Cuando se requiere una monitorización completa de grandes extensiones de terreno agrícola, establecer enlaces de comunicación fiables en zonas montañosas remotas o superar obstáculos en entornos industriales complejos, una potencia de salida estándar de 160 mW resulta insuficiente.
Fue ante estas exigencias que nació la serie LoRa1121F33: no solo un simple aumento de potencia, sino un salto cualitativo en la capacidad de comunicación. Como empresa con más de 15 años de experiencia en la industria de las comunicaciones inalámbricas, podemos afirmar con seguridad que el lanzamiento de la serie F33 marca una nueva era para la tecnología LoRa.
Hoy, vamos a analizar sus dos modelos insignia: LoRa1121F33-1G9 (Especialista en Comunicación por Satélite) y LoRa1121F33-2G4 (Campeón en Comunicación Terrestre). Como dos estrellas gemelas en el firmamento, brillan con una intensidad singular, iluminando el vasto horizonte de la conectividad inalámbrica de largo alcance.

Módulos inalámbricos LoRa de alta fiabilidad para entornos complejos de largo alcance y escenarios multibanda
Si los módulos LoRa convencionales se consideran expertos en comunicaciones terrestres, el F33-1G9 es pionero en comunicaciones integradas espacio-tierra. Su característica más destacada reside en su capacidad de comunicación satelital en banda S (1,9–2,1 GHz), que permite la conectividad en áreas sin cobertura de red terrestre.
1) Posicionamiento y diferencias de la serie
Dimensión | LoRa1121F33-1G9 | LoRa1121F33-2G4 |
Enfoque de alta frecuencia | Banda S (1,9–2,1 GHz), diseñada para IoT satelital y comunicación integrada espacio-tierra. | Banda ISM de 2,4 GHz, diseñada para comunicaciones terrestres de alto rendimiento y baja latencia. |
Salida sub-GHz | 433/470 MHz: 2 W; 868/915 MHz: 1 W | 433/470 MHz: 2 W; 868/915 MHz: 1 W |
Salida de banda alta | 1 W a 1,9–2,1 GHz | 1 W a 2,4 GHz (30 dBm) |
Sensibilidad de recepción (típica) | Sub-GHz: hasta –144 dBm; Banda S: hasta –132 dBm | Sub-GHz: hasta –144 dBm; 2,4 GHz: hasta –129 dBm |
Estabilidad de frecuencia | TCXO de grado industrial ±0,5 ppm | TCXO de grado industrial ±0,5 ppm |
Mejora de la etapa de entrada de RF | — | FEM integrado (PA+LNA), ganancia del LNA ~15 dB |
Aplicaciones representativas | IoT satelital, comunicación remota/marítima, respuesta a emergencias | IoT para ciudades/parques inteligentes, transmisión de vídeo e imágenes, enlaces de datos de UAV |
Cuando hablamos de la capacidad de "largo alcance" de la comunicación LoRa, el punto de referencia tradicional se basa en un nivel de potencia de 160 mW. Con la serie F33, que ofrece una potencia de salida de 2 W, la mejora no es solo numérica, sino que representa una expansión fundamental de los escenarios de aplicación.
Avance tecnológico: De 160 mW a 2 W
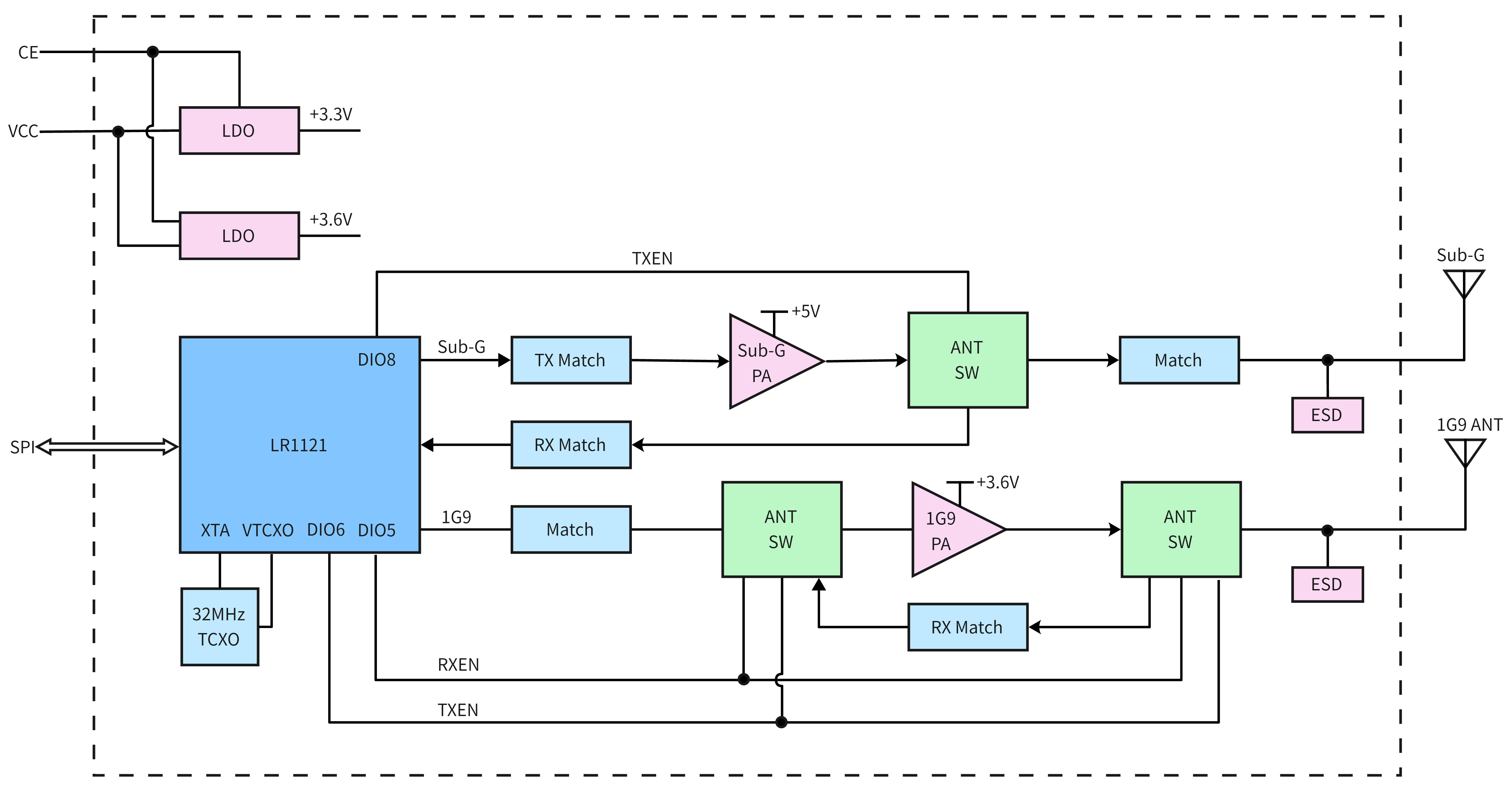
Diagrama de bloques del producto:

2) Características y parámetros principales
Artículo de comparación | F33-1G9 | F33-2G4 |
Potencia sub-GHz (433/470 MHz) | 33 dBm (2 W) | 33 dBm (2 W) |
Potencia sub-GHz (868/915 MHz) | 30 dBm (1 W) | 30 dBm (1 W) |
Potencia de banda alta | 30 dBm (1 W) a 1,9–2,1 GHz | 30 dBm (1 W) a 2,4 GHz |
Sensibilidad sub-GHz (típica) | Hasta –144 dBm | Hasta –144 dBm |
Sensibilidad de banda alta (típica) | –132 dBm (banda S) | –129 dBm (2,4 GHz) |
Modulación / Protocolo | LoRa / (G)FSK / LR-FHSS; admite LoRaWAN y protocolos privados. | LoRa / (G)FSK / LR-FHSS; admite LoRaWAN y protocolos privados. |
Seguridad | cifrado de hardware AES-128 | cifrado de hardware AES-128 |
Ruta de certificación | Depende de la región (categoría de alta potencia); experiencia y documentación disponibles para acelerar la aprobación | Igual que el F33-1G9 |
2.2 Consumo y suministro de energía
Artículo de comparación | F33-1G9 | F33-2G4 |
Rango de tensión de alimentación | 3,0–5,5 V | 3,0–5,5 V |
Corriente de sueño | < 18 µA | < 20 µA |
Corriente RX (Sub-GHz) | ~ < 9 mA | ~ < 8 mA |
Corriente RX (Banda Alta) | — | ~ 24–29 mA (2,4 GHz) |
Niveles de potencia | Ajustable en varios niveles | Ajustable en varios niveles |
3) Ventajas de la banda de frecuencia y ruta técnica
Banda | Ventajas típicas | F33-1G9 | F33-2G4 |
433/470 MHz | Cobertura amplia, buena difracción, gran penetración | ✅ 2 W | ✅ 2 W |
868/915 MHz | Tarifa y cobertura equilibradas, conforme a la normativa | ✅ 1 semana | ✅ 1 semana |
1,9–2,0 GHz (banda S) | IoT satelital, baja interferencia, cobertura global | ✅ 1 semana | — |
2,4 GHz | ISM global, gran ancho de banda, ecosistema rico | — | ✅ 1 W (mejorado por FEM) |
4) Asignación de aplicaciones típicas
Escenario / Requisito | Modelo recomendado | Razones clave |
IoT satelital / Mares remotos / Sin cobertura terrestre | F33-1G9 | Banda S de 1 W + Sub-GHz de 2 W, amplia cobertura, baja interferencia, ideal para la integración espacio-tierra. |
Respuesta a emergencias / Recuperación ante desastres | F33-1G9 | Red independiente, enlace robusto, estabilidad de frecuencia en condiciones de temperaturas extremas. |
IoT para ciudades/campus inteligentes (iluminación, estacionamiento, tuberías) | F33-2G4 | Ancho de banda alto de 2,4 GHz + cobertura amplia en sub-GHz, despliegue flexible, densidad de emplazamientos controlable |
Enlaces de datos de vídeo/imágenes/UAV | F33-2G4 | 2,4 GHz 1 W + FEM integrado (PA+LNA), rendimiento superior |
Agricultura a gran escala / Pastos | F33-1G9 / F33-2G4 | Cobertura de largo alcance de 2 W en la banda sub-GHz; el F33-2G4 es el preferido para imagen/vídeo. |
Zonas industriales (fuerte interferencia/obstrucción metálica) | F33-2G4 | Alta potencia + LR-FHSS + FEM mejora el margen de enlace |
5) Presupuesto de enlace y potencia: De 160 mW a 2 W
Artículo de comparación | Base LoRa1121 | F33-1G9 | F33-2G4 |
Potencia máxima de transmisión sub-GHz | 22 dBm (~160 mW) | 33 dBm (2 W) a 433/470 Hz; 30 dBm (1 W) a 868/915 Hz | 33 dBm (2 W) a 433/470 Hz; 30 dBm (1 W) a 868/915 Hz |
Potencia de banda alta | 11 dBm (2,4 GHz) | 30 dBm (banda S) | 30 dBm (2,4 GHz) |
Estabilidad de frecuencia | ±10 ppm | ±0,5 ppm (TCXO) | ±0,5 ppm (TCXO) |
Seguridad / Antiinterferencias | AES-128 / LR-FHSS | AES-128 / LR-FHSS | AES-128 / LR-FHSS |
Nota técnica: En comparación con 160 mW, la mejora a 2 W incrementa el margen de enlace en aproximadamente 11-13 dB. Bajo las mismas condiciones de modulación y antena, la distancia teórica en espacio libre aumenta considerablemente; en entornos complejos, la resistencia al bloqueo y al desvanecimiento mejora significativamente. Se recomienda el control de potencia adaptativo para equilibrar la cobertura y el consumo de energía.
6) Mecánica e interfaces (Aspectos destacados de la selección)
Artículo | F33-1G9 | F33-2G4 |
Paquete/Ensamblaje | Paquete con orificios de estampado, compatible con SMT, admite desarrollo secundario | Paquete de orificios de estampado de alta potencia de 39,0 × 21,0 mm, compatible con SMT |
Número de pines | 18 pines (conexión estándar) | 18 pines (conexión estándar) |
Antenas | Antena sub-GHz + antena de banda S; compatible con IPEX / orificio para estampar | Antena sub-GHz + antena de 2,4 GHz; compatible con IPEX / orificio para sello |
Interfaces | SPI (MISO/MOSI/SCK/NSS), RESET/BUSY/IRQ, VCC/GND, habilitación CE | Igual que el F33-1G9 |
Suministrar | 3,0–5,5 V (alto voltaje, alta potencia) | 3,0–5,5 V (alto voltaje, alta potencia) |
Directrices de diseño | • Continuidad de la conexión a tierra y la ruta de retorno de la traza de RF | • Continuidad de la conexión a tierra de la traza de RF y ruta de retorno |
Estrategia de energía y operación (Directrices de ingeniería)
•Potencia ajustable de 22 pasos: adapta dinámicamente la salida según RSSI/SNR para ahorrar energía a corto alcance.
•Recepción de ciclo de trabajo con activación rápida: recomendada para aplicaciones de larga duración en espera.
•LR-FHSS: mejora la robustez y la utilización del espectro en entornos de alta interferencia.
•Diseño de potencia: garantizar un margen de suministro suficiente y desacoplamiento durante la transmisión de 2 W; aislar las fuentes de alimentación de PA/FEM y banda base; optimizar el retorno a tierra y la disipación de calor.
7) Adquisiciones y despliegue (perspectiva del coste total de propiedad)
Dimensión | F33-1G9 | F33-2G4 |
Dependencia de red | Puede funcionar sin red terrestre (satélite de banda S). | Red terrestre centrada en el despliegue flexible |
Estaciones base / Pasarelas | Menos (retorno satelital o agregación de largo alcance) | Densidad de emplazamientos controlable (cobertura sub-GHz + enlace troncal de 2,4 GHz) |
Operación y mantenimiento | Coste del enlace satelital manejable, bajo mantenimiento de nodos | Comunicación local sin coste, mantenimiento del sitio gestionable. |
Ajuste de aplicación | Necesidades remotas, marítimas y de alta fiabilidad en situaciones de emergencia | Aplicaciones urbanas, de vídeo, con vehículos aéreos no tripulados (UAV) y de alto ancho de banda. |
Intensidades de banda de frecuencia
F33-1G9 (banda S):
Banda dedicada con mínima interferencia.
Excelente compatibilidad con constelaciones de satélites LEO (por ejemplo, Starlink, OneWeb).
Propagación y penetración equilibradas en comparación con las frecuencias sub-GHz.
F33-2G4 (ISM de 2,4 GHz):
FEM incorporado (PA+LNA), ganancia LNA ~15 dB para una recepción mejorada.
Admite un mayor rendimiento de datos, ideal para casos de uso que requieren un gran ancho de banda.
Banda ISM globalmente libre de licencias, ecosistema ampliamente soportado.
Características destacadas del producto
F33-1G9: 2 W Sub-GHz + 1 W Banda S, sensibilidad de –144 dBm, TCXO ±0,5 ppm, admite LR-FHSS y AES-128; ideal para IoT satelital, emergencia y cobertura remota.
F33-2G4: 2 W Sub-GHz + 1 W 2,4 GHz, FEM incorporado (PA+LNA), sensibilidad de –129 dBm; ideal para ciudades inteligentes, vídeo y aplicaciones de gran ancho de banda en vehículos aéreos no tripulados.
+86-755-23080616
ventas@nicerf.com
Sitio web: https://www.nicerf.com/
Dirección: 309-314, 3/F, Bldg A, edificio comercial Hongdu, Zona 43, Baoan Dist, Shenzhen, China
política de privacidad
· Política de privacidad
Actualmente no hay contenido disponible
Correo electrónico:sales@nicerf.com
Teléfono:+86-755-23080616