Type: (G)FSK Front-End Modules
Certification: FCC ID,IC ID
Modulation: (G)FSK
Chip: nRF24L01+
Interfacce: SPI
Output Power: 1mW
Frequency: 2.4GHz
Tamaño (mm):22,61*12,89
| Parámetro | Mínimo | Típico | Máximo | Unidad | Condición |
| Condición de operación | |||||
| Rango de voltaje de trabajo | 1.9 | 3.3 | 3.6 | V | |
| Voltaje de temperatura | -40 | 85 | °C | ||
| Consumo actual | |||||
| Corriente RX | 23.5 | 24 | mamá | ||
| Corriente TX | 135 | 150 | mamá | @20dBm | |
| Corriente de sueño | <1 |
| uA |
| |
| Parámetro de RF | |||||
| Rango de frecuencia | 2400 |
| 2525 | megahercio |
|
| Tasa de modulación | 250 |
| 2000 | Kbps | GFSK |
| Rango de potencia de transmisión | 4 |
| 20 | dBm | Potencia 0=5dBm, 3=20dBm |
| Potencia máxima de transmisión | 18.5 | 20 |
| dBm |
|
| Sensibilidad de recepción | -100 | -102 |
| dBm | @datos=250kbps |
| Modulación | (G)FSK |
| Chip | nRF24L01+ |
| Frecuencia | 2,4 GHz |
| Potencia de salida | 100 mW |
| Proceso de dar un título | FCC IC, CE-RED, ID IC, TELEC |
| Interfaz | SPI |


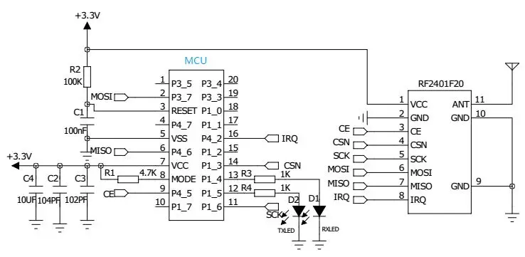
| Pin N.º | Nombre del pin | Descripción |
| 1 | VCC | Fuente de alimentación positiva (1,9-3,6 V) |
| 2 | Tierra | Conecte el polo negativo de la fuente de alimentación. |
| 3 | CE | Selección de chip para habilitar la transmisión o recepción |
| 4 | CSN | Selección de chip SPI |
| 5 | SCK | Reloj serie para interfaz SPI |
| 6 | MOSI | Entrada de datos del esclavo SPI |
| 7 | MISO | Salida de datos del esclavo SPI |
| 8 | IRQ | Pin de interrupción programable, activo bajo |
| 9 | Tierra | Conecte el polo negativo de la fuente de alimentación. |
| 10 | Tierra | Conecte el polo negativo de la fuente de alimentación. |
| 11 | HORMIGA | Conectar con antena coaxial de 50 ohmios |

política de privacidad
· Política de privacidad
Actualmente no hay contenido disponible
Correo electrónico:sales@nicerf.com
Teléfono:+86-755-23080616