SRX883Pro: Módulo receptor superheterodino de 433 MHz con certificación CE-RED
Type: ASK Modules
Certification: CE-RED
Frequency: 433MHz
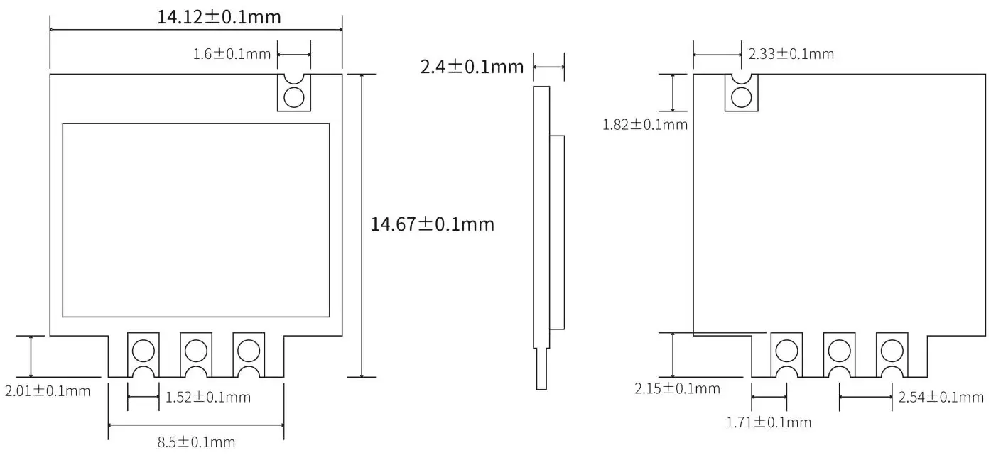
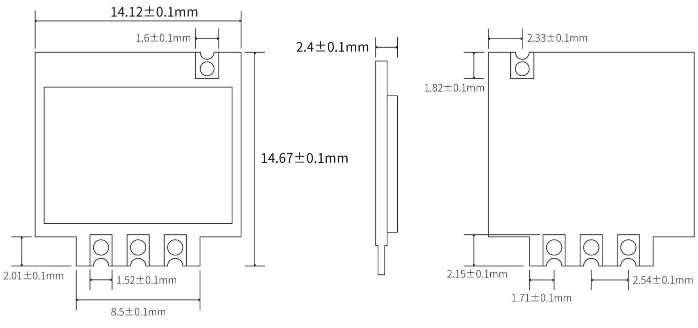
Tamaño (mm):13,9*12,8
| Parámetro | Mín. | Típico. | Máx. | Unidad | Condición |
| Condiciones de operación | |||||
| Rango de voltaje de trabajo | 1.2 | 3.0 | 5 | V | |
| Voltaje de temperatura | -20 | 25 | 70 | °C | |
| Consumo actual | |||||
| Corriente TX | <20 | mamá | @3,3 V, 10 dBm | ||
| Corriente de sueño | ≤0,01 | uA | Cuando @DATA es bajo | ||
| Parámetro de RF | |||||
| Rango de frecuencia | 433.82 | 433.92 | 434.02 | megahercio | @433 MHz |
| Potencia de transmisión | 10 | dBm | @3,3 V | ||
| Velocidad de datos | 0.1 | 5 | Kbps | ||
| Modulación | PREGUNTAR |
| Frecuencia | 433 MHz |
| Proceso de dar un título | FCC IC, CE-RED |


| Pin N.º | Nombre del pin | Descripción |
| 1 | Tierra | Tierra de energía |
| 2 | VCC | Conecte el positivo de la fuente de alimentación |
| 3 | DATOS | Entrada de datos |
| 4 | HORMIGA | Entrada de antena |

política de privacidad
· Política de privacidad
Actualmente no hay contenido disponible
Correo electrónico:sales@nicerf.com
Teléfono:+86-755-23080616