Type: ASK Modules
Certification: FCC ID,CE-RED
Frequency: 433MHz
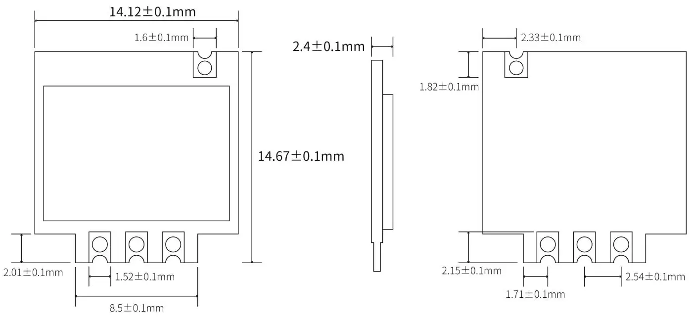
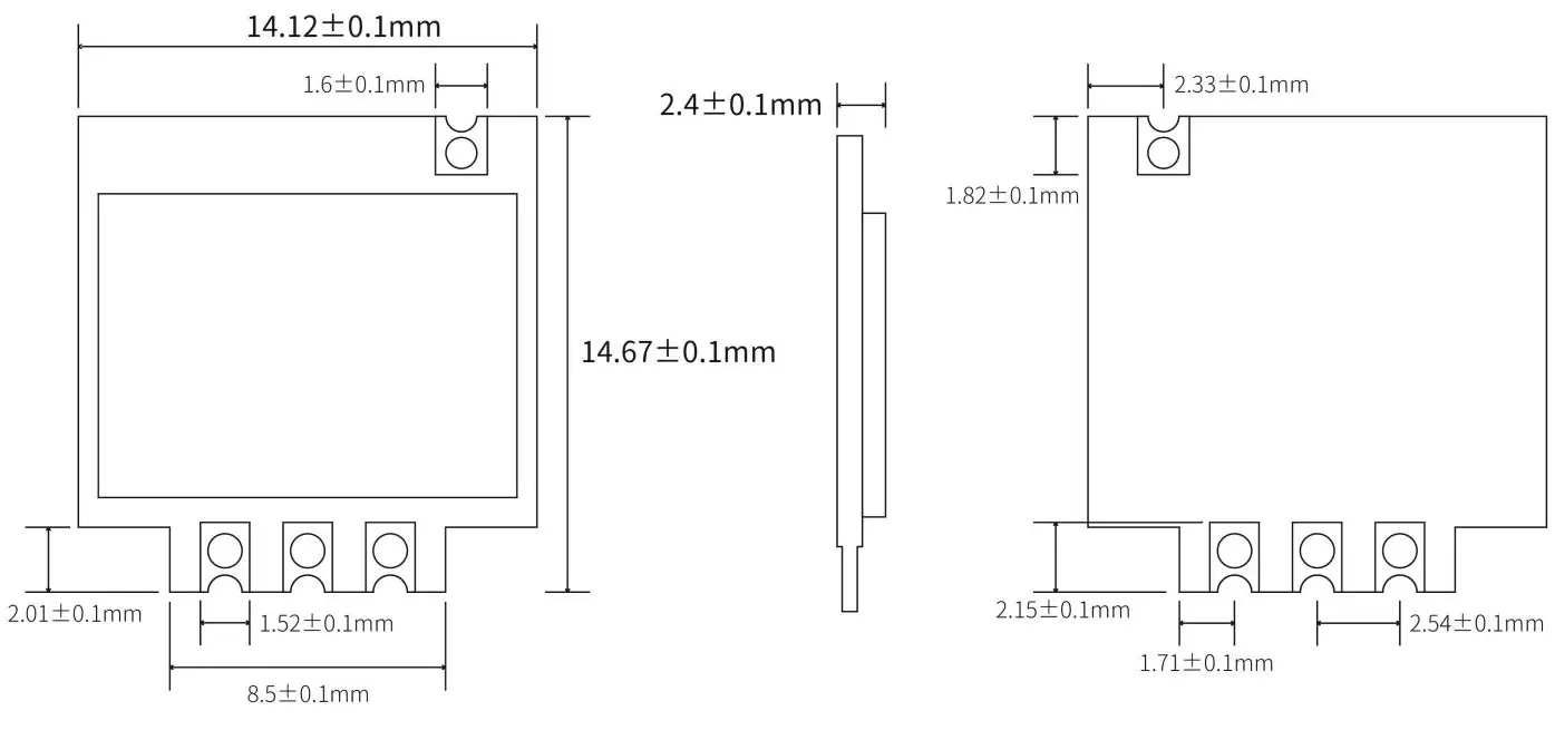
Tamaño (mm):14.12*14.67
| Parámetro | Mín. | Típico. | Máx. | Unidad | Condición |
| Condiciones de operación | |||||
| Rango de voltaje de trabajo | 2.0 | 3.3 | 5.5 | V | |
| Voltaje de temperatura | -30 | 80 | °C | ||
| Recibir tiempo abierto | 3 | EM | @Encienda VDD para recibir datos | ||
| 2.3 | EM | @Cambio de alto a bajo en CS para recibir datos | |||
| Consumo actual | |||||
| Corriente de trabajo | <3 | mamá | @CS=0 veces | ||
| <0.1 | uA | @CS=1 veces | |||
| Parámetro de RF | |||||
| Rango de frecuencia | 433.72 | 433.92 | 434.12 | megahercio | @433 MHz |
| Sensibilidad | -111 | dBm | @1 Kbps | ||
| Velocidad de datos | 0.1 | 5 | Kbps | ||
| Recibir ancho de banda | 400 | kHz | |||
| Modulación | PREGUNTAR |
| Frecuencia | 433 MHz |
| Proceso de dar un título | CE-ROJO |

| Pin N.º . | Nombre del pin | Descripción |
1 | VCC | Conecte la fuente de alimentación positiva (2-5,5 V ) |
2 | CS | Pin de habilitación del módulo H: dormir L: trabajar |
3 | DATOS | Pin de salida de datos |
4,5,7,8 | Tierra | Tierra de energía |
6 | HORMIGA | Conectar una antena de 50 ohmios |


política de privacidad
· Política de privacidad
Actualmente no hay contenido disponible
Correo electrónico:sales@nicerf.com
Teléfono:+86-755-23080616