SRX887: Módulo receptor ASK superheterodino de 315/433 MHz
Certificación: Otros
Frecuencia: 315 MHz,433MHz
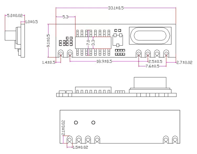
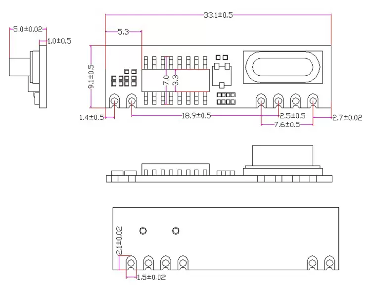
Tamaño (mm):33,1*9,1
| Parámetro | Mín. | Típico. | Máx. | Unidad | Condición |
| Condiciones de operación | |||||
| Voltaje de suministro | 3.0 | 5 | 5.5 | V | |
| Rango de temperatura de funcionamiento | -20 | 70 | °C | ||
|
Estado latente | 20 | EM | @315 MHz | ||
| 9 | EM | @433 MHz | |||
| Consumo actual | |||||
|
Consumiendo corriente | 3.7 | 5.0 | mamá | @315 MHz | |
| 5.0 | 6.0 | mamá | @433 MHz | ||
| <1 | uA | @CS=0 | |||
| Parámetros de RF | |||||
|
Rango de frecuencia | 433.82 | 433.92 | 434.02 | megahercio | @433 MHz |
| 314.9 | 315 | 315.1 | megahercio | @315 MHz | |
| Sensibilidad | -107 | -110 | dBm | @1 Kbps | |
| Tarifa aérea | 0.1 | 9.6 | kbps | ||
| Ancho de banda del receptor | 200 | kHz | |||
| Modulación | PREGUNTAR |
| Frecuencia | 315 MHz, 433 MHz |

| Número PIN | Definiciones de pines | Descripción |
| 1 | HORMIGA | Conectar con antena coaxial de 50 ohmios |
| 2 | Tierra | Conectado a tierra |
| 3 | VCC | Fuente de alimentación positiva |
| 4 | CS | Nivel bajo para habilitar el módulo, nivel alto para ingresar al modo de suspensión |
| 5 | DATOS | Salida de datos |
| 6 | Tierra | Conectado a tierra |

política de privacidad
· Política de privacidad
Actualmente no hay contenido disponible
Correo electrónico:sales@nicerf.com
Teléfono:+86-755-23080616