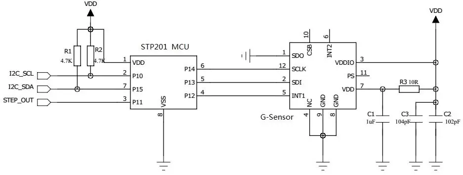
STP200: Chip podómetro 3D con interfaz IIC para aplicación sin muñeca
Paquete: CI
Interfaz: IIC
Solicitud: Sin muñeca
| Parámetros | Condición | Actuación | Unidad | ||
| Mín. | Típico. | Máx. | |||
| Voltaje de trabajo | 2.3 | 3 | 3.6 | V | |
| Corriente de trabajo | @3V | 80 | uA | ||
| Corriente de sueño | < 5 | uA | |||
| Resolución de pasos | 1 | Paso | |||
| Error del podómetro | Trabajo uniforme | ± 3% | Paso | ||
| Temperatura de trabajo | -10 | 50 | °C | ||
| Temperatura de almacenamiento | -10 | 50 | °C |
| Función especial | Módulo podómetro |

política de privacidad
· Política de privacidad
Actualmente no hay contenido disponible
Correo electrónico:sales@nicerf.com
Teléfono:+86-755-23080616