Paquete: CI
Interfaz: IIC
Solicitud: Sin muñeca
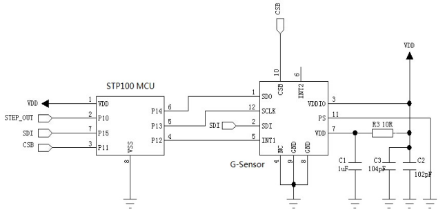
El STP100 es un chip podómetro 3D que incluye un sensor G y una MCU. Incorpora una interfaz de pulso, un sensor MEMS 3D (sensor G) y un algoritmo de podómetro 3D de alta precisión, lo que permite medir con precisión en cualquier dirección. Este módulo se caracteriza por su pequeño tamaño y bajo consumo. Su sencilla interfaz digital facilita su uso en podómetros 3D, podómetros multifunción USB e integración en diversos sistemas de podómetro.
| Parámetro | Condición | Actuación | Unidad | ||
| MÍNIMO | TÍPICO | MÁXIMO | |||
| Voltaje de trabajo | 2.3 | 3 | 3.6 | V | |
| Corriente de trabajo | @3V | < 25 | uA | ||
| Corriente de sueño | < 4 | uA | |||
| Resolución de pasos | 1 | Paso | |||
| Error del podómetro | Trabajo uniforme | ±3% | Paso | ||
| Temperatura de trabajo | -10 | 50 | °C | ||
| Temperatura de almacenamiento | -10 | 50 | °C |
| Función especial | Módulo podómetro |

política de privacidad
· Política de privacidad
Actualmente no hay contenido disponible
Correo electrónico:sales@nicerf.com
Teléfono:+86-755-23080616