Contáctenos
| Parámetro | Mínimo | TP | Máximo | Unidad | Condición |
| Condiciones de operación | |||||
| Voltaje de suministro | 1.8 | 3.3 | 3.6 | V | |
| Rango de temperatura de funcionamiento | -40 | 25 | 85 | °C | |
| Consumo actual | |||||
| Corriente de emisión | 6.8 | 8 | mamá | @3,3 V | |
| Recibir corriente | 2.9 | mamá | @3,3 V | ||
| Corriente de sueño | 0,26 | mamá | |||
| Función especial | Ant+ |
| Mensajes de configuración | ||
| Desasignar canal | Asignar canal | Establecer ID de canal |
| Periodo de mensajería del canal | Tiempo de espera de búsqueda de canal | Frecuencia de RF del canal |
| Establecer clave de red | Potencia de transmisión | Forma de onda de búsqueda |
| Agregar ID de canal a la lista | Agregar ID de cifrado a la lista | Lista de ID de configuración |
| Lista de ID de cifrado de configuración | Establecer la potencia de transmisión del canal | Tiempo de espera de búsqueda de baja prioridad del canal |
| Habilitar mensajes extendidos | Configuración de biblioteca | Agilidad de frecuencia |
| Búsqueda de proximidad | Prioridad de búsqueda de canales | Configurar ráfaga avanzada |
| Configurar filtro de eventos | Configurar actualizaciones de datos selectivas | Establecer máscara de actualización selectiva de datos (SDU) |
| Habilitar el cifrado de canal único | Establecer clave de cifrado | 1.27 Establecer información de cifrado |


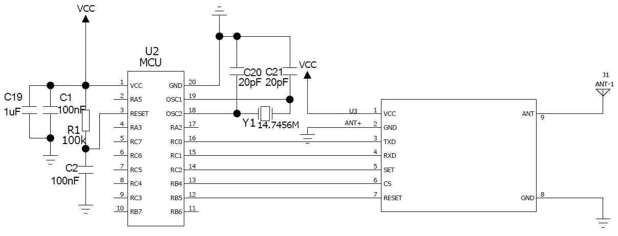
Pin N.º | Nombre del pin | Descripción |
| 1 | VCC | Poder positivo |
| 2 | Tierra | Tierra de energía |
| 3 | TXD | TXD en serie |
| 4 | RXD | Serie RXD |
| 5 | COLOCAR | Acceda al pin de control del modo DFU (actualización de firmware), baje este pin y aplique un pulso bajo al pin RESET. El módulo entrará en modo DFU tras reiniciarse. Si levanta o deja este pin desconectado, el encendido o el reinicio lo harán funcionar normalmente. |
| 6 | CS | Pin de control de suspensión, baje el módulo CS para ponerlo en suspensión, súbalo o colóquelo en posición flotante para que el módulo funcione normalmente |
| 7 | REINICIAR | Tire de este pin hacia abajo para reiniciar el módulo, tírelo hacia arriba o hacia flotante, el módulo funcionará normalmente |
| 8 | Tierra | Tierra de energía |
| 9 | HORMIGA | Interfaz de antena |

política de privacidad
· Política de privacidad
Actualmente no hay contenido disponible
Correo electrónico:sales@nicerf.com
Teléfono:+86-755-23080616