Parámetros | Condición de prueba | Mín. | Típico. | Máximo | Unidad |
Rango de voltaje | 1.8 | 3.3 | 3.6 | V | |
Temperatura de funcionamiento | - 4 0 | 25 | 85 | °C | |
Señal de entrada máxima | 10 | dBm | |||
Consumo actual | |||||
Corriente de transmisión | @3.3v | <120 | mamá | ||
Recibir corriente | <8 | mamá | |||
Corriente de sueño | <1 | uA | |||
Parámetros de RF | |||||
Rango de frecuencia | @433 MHz | 400 | 460 | megahercio | |
@470 MHz | 470 | 510 | megahercio | ||
@868 MHz | 850 | 890 | megahercio | ||
@915 MHz | 900 | 940 | megahercio | ||
Potencia de transmisión | 20 | 21 | 22 | dBm | |
Sensibilidad de recepción | @Ancho de banda = 125 kHz, frecuencia de corte = 12 | -141 | dBm | ||
Error de frecuencia | 10 | ppm | |||
Tasa de modulación | @LoRa | 0.018 | 62.5 | kpbs | |
@FSK | 0.6 | 300 | kpbs | ||
Frecuencia de banda UHF: 433/470 MHz, 868/915 MHz
Rango de frecuencia personalizable de 150 a 960 MHz
Distancia de transmisión en área abierta de más de 5000 metros
Alta sensibilidad del receptor hasta -141dBm a BW=125KHz, SF=12
Potencia de transmisión ajustable, hasta 22dBm
Diversas interfaces: UART, SPI, I2C, GPIO, ADC
Corriente de reposo : < 2uA
Corriente de recepción : < 10 mA
Procesador central: CPU Arm® Cortex®-M4 de 32 bits
Características de seguridad: Admite cifrado de hardware de 256 bits y protección de lectura y escritura PCROP
Tamaño compacto con diseño de orificio de sello, lo que facilita el desarrollo secundario por parte de los clientes.
Solicitud
Agricultura inteligente
Fabricación industrial
Casa inteligente
Riego remoto


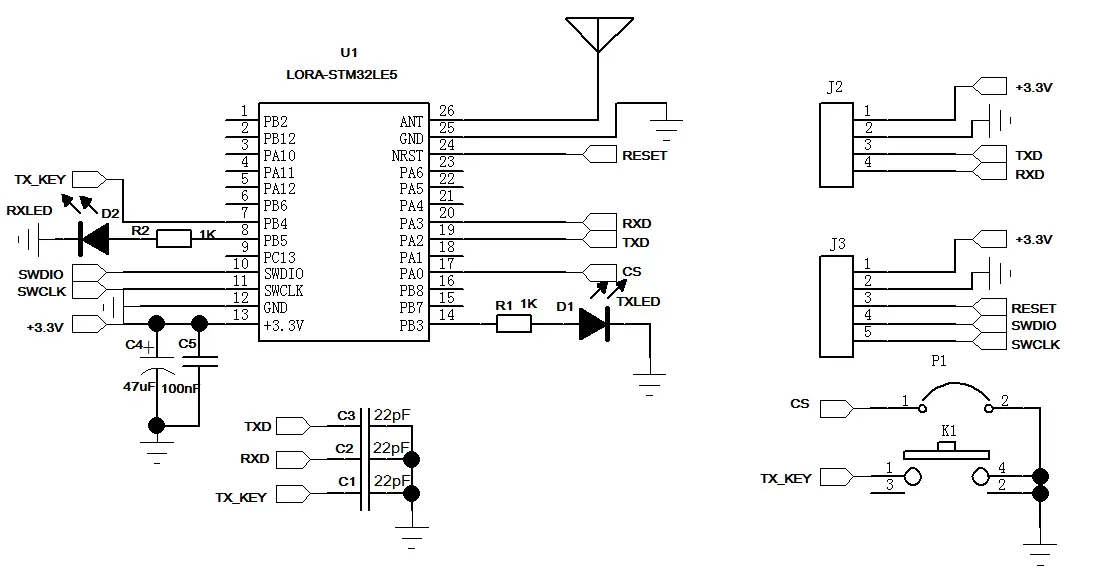
Pin N.º | Nombre del pin | E/S | Descripción |
1 | PB2 | IO | E/S del microcontrolador del chip integrado; Consulte las especificaciones del chip para conocer las funciones. |
2 | PB12 | IO | E/S del microcontrolador del chip integrado; Consulte las especificaciones del chip para conocer las funciones. |
3 | PA10 | IO | E/S del microcontrolador del chip integrado; Consulte las especificaciones del chip para conocer las funciones. |
4 | PA11 | IO | E/S del microcontrolador del chip integrado; Consulte las especificaciones del chip para conocer las funciones. |
5 | PA12 | IO | E/S del microcontrolador del chip integrado; Consulte las especificaciones del chip para conocer las funciones. |
6 | PB6 | IO | E/S del microcontrolador del chip integrado, Consulte el libro de especificaciones del chip para conocer las funciones específicas. |
7 | PB4 | I | E/S del microcontrolador del chip integrado, el programa DEMO define el pin del botón de transmisión; Al presionar el botón se transmiten datos. |
8 | PB5 | IO | E/S del microcontrolador del chip integrado, el programa DEMO define el pin indicador de recepción; emite un nivel alto cuando se reciben datos, de lo contrario el nivel es bajo. |
9 | PC13 | IO | E/S del microcontrolador del chip integrado, Consulte el libro de especificaciones del chip para conocer las funciones específicas. |
10 | SWDIO | IO | E/S del microcontrolador del chip integrado, Interfaz de programación. |
11 | SWCLK | I | E/S del microcontrolador del chip integrado, Interfaz de programación. |
12 | Tierra | - | Conectar a la fuente de alimentación negativa. |
13 | VCC | - | Conectar a la fuente de alimentación positiva. |
14 | PB3 | IO | E/S del microcontrolador del chip integrado, el programa DEMO define el pin indicador de transmisión; emite en alto cuando transmite, en bajo cuando no transmite. |
15 | PB7 | IO | E/S del microcontrolador del chip integrado, Consulte el libro de especificaciones del chip para conocer las funciones específicas. |
16 | PB8 | IO | E/S del microcontrolador del chip integrado, Consulte el libro de especificaciones del chip para conocer las funciones específicas. |
17 | PA0 | IO | E/S del microcontrolador del chip integrado, El programa DEMO define CS. |
18 | PA1 | IO | E/S del microcontrolador del chip integrado, Consulte el libro de especificaciones del chip para conocer las funciones específicas. |
19 | PA2 | IO | E/S del microcontrolador del chip integrado, El programa DEMO define TXD. |
20 | PA3 | IO | E/S del microcontrolador del chip integrado, El programa DEMO define RXD. |
21 | PA4 | IO | E/S del microcontrolador del chip integrado, Consulte el libro de especificaciones del chip para conocer las funciones específicas. |
22 | PA5 | IO | E/S del microcontrolador del chip integrado, Consulte el libro de especificaciones del chip para conocer las funciones específicas. |
23 | PA6 | IO | E/S del microcontrolador del chip integrado, Consulte el libro de especificaciones del chip para conocer las funciones específicas. |
24 | NRST | I | E/S del microcontrolador del chip integrado, pin de reinicio de chip, activo bajo. |
25 | Tierra | - | Conectar a la fuente de alimentación negativa. |
26 | HORMIGA | Conectar a una antena externa de 50 ohmios. |

política de privacidad
· Política de privacidad
Actualmente no hay contenido disponible
Correo electrónico:sales@nicerf.com
Teléfono:+86-755-23080616