Sep . 2021
En el proceso de brindar a los clientes soporte técnico y personalización de RF, descubrimos que debido a las actualizaciones de requisitos funcionales y actualizaciones de productos, a menudo encontramos problemas que requieren módulos integrados con diferentes chips inalámbricos para comunicarse entre sí, pero las especificaciones, las diversas diferencias en parámetros y formatos de datos hacen que la gente se pregunte por dónde empezar. En esta prueba, se seleccionaron los módulos inalámbricos frontales de RF RF4432PRO (integrados con el chip Si4432) y RF4463PRO (integrados con el chip Si4463) desarrollados independientemente por NiceRF Wireless Technology Co., Ltd., y se detallaron los procedimientos experimentales, las interfaces de hardware y las muestras relacionadas. Se describieron los programas. Espero proporcionar un método de referencia para resolver problemas de comunicación entre diferentes chips inalámbricos.
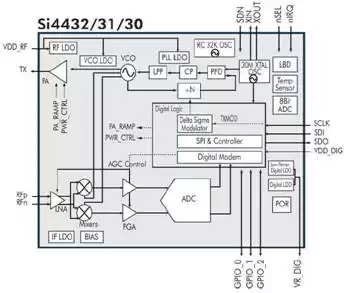
1.1 Rendimiento y características del chip


Figura 1: Diagrama de bloques del módulo integrado de chip Si4432 y Si4463
El Si4432 del módulo inalámbrico RF4432PRO es un chip transceptor de radiofrecuencia de alto rendimiento desarrollado por Silabs en los Estados Unidos con una banda de frecuencia de trabajo inferior a 1 GHz, que pertenece a su serie EzRadioPro. Ha sido ampliamente utilizado en la industria, la investigación científica, la medicina (ISM) y los equipos de comunicación inalámbrica de corto alcance (SRD) en China. Su potencia de salida puede alcanzar +20 dBm y su sensibilidad de recepción puede alcanzar -121 dBm.
El módulo inalámbrico RF4463PRO utiliza Silicon Lab Si4463, que es un chip transceptor de banda de frecuencia ISM inalámbrico altamente integrado. La sensibilidad de recepción extremadamente baja (-126 dBm), junto con la potencia de salida líder en la industria de +20 dBm, garantiza un alcance ampliado y un rendimiento de enlace mejorado. Al mismo tiempo, la diversidad de antenas integradas y la compatibilidad con salto de frecuencia se pueden utilizar para ampliar aún más el alcance y mejorar el rendimiento.
Los parámetros específicos se pueden encontrar en los manuales de chips de Si4432 y Si4463. Los módulos inalámbricos RF4432PRO y RF4463PRO brindan soporte de hardware para las funciones integradas de los chips Si4432 y Si4463. Los usuarios pueden desarrollar y controlar directamente la programación y el control del módulo según el manual del chip.
| módulo inalámbrico | RF4432PRO | RF4463PRO |
| Rango de frecuencia | 403MHz, 433MHz, 463MHz | 403MHz, 433MHz, 463MHz |
| Corriente de emisión | 85mA,@20dBm | 85mA,@20dBm |
| Recibir actual | 18,5 mA | 13,5 mA |
| poder estático | <1uA | <0,1 uA |
| Rango de potencia de transmisión | 1dBm~20dBm | -5dBm~20dBm |
| Recepción de sensibilidad | -121dBm @datos=1,2Kbps | -126dbm @datos=500bps |
Tabla 1: Comparación probada de los parámetros de RF RF4432 y RF4463 de Shenzhen NiceRF Wireless Technology Co., Ltd.
1.2 Diseño del hardware del sistema
El hardware del sistema experimental utilizó los módulos inalámbricos RF4432PRO y RF4463PRO de NiceRF Wireless Technology Co., Ltd. y sus correspondientes placas DEMO. Los módulos RF4432PRO y RF4463PRO contienen circuitos de aplicación de chips de alto rendimiento de grado industrial que han pasado pruebas rigurosas. Conecte cada módulo a través de los pines para completar la construcción de la plataforma de hardware. A través del control del puerto SPI del microcontrolador en la placa DEMO, los dos módulos transceptores se comunican entre sí para realizar la transmisión de datos inalámbrica. Junto con el módulo transceptor frontal inalámbrico para facilitar la distancia de depuración y prueba del cliente. La placa de demostración tiene pines de módulo inalámbrico externo y los parámetros de configuración se pueden guardar después del apagado. El usuario puede configurar el módulo inalámbrico a través del botón, como la frecuencia de operación, la potencia de transmisión y la velocidad de comunicación. Para conocer las definiciones de pines específicas de los módulos inalámbricos RF4432PRO y RF4463PRO, consulte nuestras especificaciones detalladas del producto.

Figura 2: Conexión del hardware del módulo inalámbrico y la placa de demostración de Shenzhen NiceRF Wireless Technology Co., Ltd.
La transmisión y recepción de señales inalámbricas es el proceso de modulación y demodulación de la señal. Ya sea que se trate de la misma o diferente comunicación del módulo inalámbrico, la diferencia en los parámetros de modulación, como el formato de modulación, la velocidad y frecuencia de modulación, la desviación de frecuencia y el ancho de banda de recepción de las dos partes de transmisión y recepción, hará que la comunicación entre los módulos no poder comunicarse.
2.1 Temporización del control del bus SPI
La comunicación entre los módulos RF4432PRO y RF4463PRO y el microcontrolador es que el módulo RF transmite señales inalámbricas de acuerdo con los comandos de control y los datos escritos por el microcontrolador a través del bus SPI, y transmite los datos recibidos y la información relacionada al microcontrolador a través del bus SPI. . La sincronización SPI de Si4432 y Si4463 es ligeramente diferente.

Figura 4: Temporización de escritura SPI del chip Si4432

Figura 5: Temporización de escritura SPI del chip Si4463
2.2 Modo de prueba
Las placas de demostración DEMO de los módulos RF4432PRO y RF4463PRO de Shenzhen NiceRF Wireless Technology Co., Ltd. tienen dos modos de prueba: envío regular y recepción regular, lo cual es conveniente para depurar programas. El punto común de los módulos inalámbricos RF4432PRO y RF4463 en el modo de prueba de la placa de demostración DEMO es que transmiten continuamente "101010..." y pueden ver las formas de onda recibidas en tiempo real en los pines correspondientes.

Figura 6
2.3 Modo normal
Las placas de demostración de los módulos inalámbricos RF4432PRO y RF4463PRO de Shenzhen NiceRF Wireless Technology Co., Ltd. se ejecutan en el modo PH+FIFO de Si4432 y Si4463. Tanto Si4432 como Si4463 están equipados con FIFO de 64 bytes y las correspondientes funciones de procesamiento de paquetes de datos. En este modo, el chip agrega y detecta automáticamente el preámbulo, palabra de sincronización, verificación, etc., e indica el estado de la comunicación mediante interrupciones, lo que facilita enormemente el proceso de comunicación. En la comunicación en modo normal, es necesario asegurarse de que la configuración del formato del paquete de datos de los dos módulos de comunicación sea completamente consistente; de lo contrario, el chip no podrá generar interrupciones.

Figura 7: Formato de paquete de datos Si4432

Figura 8: formato de paquete de datos Si4463
2.4 Resumen
Compare el formato del paquete de datos de los chips Si4432 y Si4463 como se muestra en la Tabla 5. Se puede encontrar que el paquete de datos Si4463 se puede dividir en varias partes y cada una tiene una verificación CRC, y las partes restantes son básicamente las mismas. Para garantizar que los dos chips puedan comunicarse, configure el formato del paquete de datos de prueba como se muestra en la Tabla 6.
| Si4432 | Si4463 | |
| Preámbulo | 1~8 bytes | 1~8 bytes |
| Sincronizar palabra | 1~4 bytes | 1~4 bytes |
| encabezado de transmisión | √ | √ |
| Longitud del paquete | √ | √ |
| DATOS | 0~64 bytes | 0~64 bytes |
| CDN | 0~2 bytes | 0,2,4 bytes |
Tabla 5: Comparación de los formatos de paquetes de datos Si4432 y Si4463
| Preámbulo | Sincronizar palabra | encabezado de transmisión | DATOS | ||
| longitud | Si4432 | 8 bytes | 2 bytes | 4 bytes | 10 bytes |
| Si4463 | 8 bytes | 2 bytes | 4 bytes | 10 bytes | |
| contenido | Si4432 | “010101...” | 0xb42b | “swx” | “ABCDEFGHIM” |
| Si4463 | “010101...” | 0xb42b | “swx” | “ABCDEFGHIM” | |
Tabla 6: Formato del paquete de datos de prueba
Las configuraciones de los parámetros de radiofrecuencia utilizados en la comunicación del sistema son: módulos Si4432 y Si4463 a 433M y 1.2kbps, los parámetros con mayor sensibilidad de recepción son los siguientes: Si4432, Si4463 offset de frecuencia: 20kHz, 5kHz; ancho de banda 61 kHz, 28,62 kHz; sensibilidad -: 121dBm, -123dBm Cuando Si4432 y Si4463 utilizan los parámetros anteriores para comunicarse, la distancia de comunicación no puede alcanzar la misma distancia de comunicación del chip. Por lo tanto, considere configurar el desplazamiento de frecuencia de los dos módulos inalámbricos para que sea el mismo. En aplicaciones prácticas, Si4463 es mayoritariamente compatible con Si4432. Por lo tanto, se decidió cambiar el desplazamiento de frecuencia de Si4463 al desplazamiento de frecuencia de Si4432 a 20 kHz. (Consulte el archivo adjunto para conocer la configuración de registro específica) El formato de los datos enviados se muestra en la Tabla 6. Para garantizar que los módulos inalámbricos RF4432PRO y RF4463PRO puedan funcionar normalmente y proporcionar formas de onda de referencia, primero habilite los mismos módulos para comunicarse en el modo normal de el tablero de demostración DEMO bajo esta configuración.
3.1 Comparar formas de onda de recepción y transmisión
En el modo de paquete de datos, dado que el chip procesa automáticamente los datos, solo se muestran los resultados, lo que no favorece la depuración del programa. Por lo tanto, utilizamos el modo de prueba de la placa de demostración DEMO y los pines externos de Shenzhen NiceRF Wireless Technology Co., Ltd. para juzgar la calidad de la comunicación observando sincrónicamente la forma más intuitiva de enviar y recibir formas de onda.
Configure GPIO2 y GPIO1 de RF4432PRO y RF4463PRO en la función de salida de datos Rx, de modo que los datos recibidos puedan salir desde los pines GPIO2 y GPIO1 en tiempo real. Utilice un analizador lógico para observar simultáneamente las formas de onda transmitidas y recibidas de los módulos inalámbricos RF4463PRO y RF4432PRO y compararlas en consecuencia. Como se muestra en la Figura 10, se puede encontrar que RF4432PRO y RF4463PRO pueden recibir correctamente las señales transmitidas entre sí.


Figura 9: Forma de onda de prueba de recepción RF4432 y RF4463 con desplazamiento de frecuencia de 433 MHz, 1,2 Kbps y 20 KHz
Continúe recibiendo en el modo de prueba durante un período de tiempo, observe cada forma de onda recibida, como se muestra en la Figura 11, compruebe que la señal recibida no esté deformada y determine que los módulos inalámbricos RF4432PRO y RF4463PRO pueden comunicarse normalmente bajo este parámetro de radiofrecuencia. .

Figura 11: Forma de onda de recepción RF4463 por debajo de 433 MHz, 1,2 kbps, compensación de frecuencia de 30 kHz
3.2 Recepción en modo paquete de datos
El módulo RF4432PRO y el módulo RF4463PRO reciben las formas de onda correctas entre sí, por lo que se conservan los parámetros de RF y el modo de funcionamiento de la placa de demostración de Shenzhen NiceRF Wireless Technology Co., Ltd. se establece en modo normal para ver si el chip puede interrumpir. Se encontró que ni el módulo RF4432PRO ni el módulo RF4463PRO generaron una interrupción de recepción. Configure la placa de demostración DEMO en transmisión normal RF4432PRO, recepción de prueba RF4463PRO, transmisión normal RF4463PRO, recepción de prueba RF4432PRO y compare las formas de onda de los paquetes de datos transmitidos por RF4432PRO y RF4463PRO. Se descubre que la configuración del formato del paquete de datos de los dos módulos es inconsistente.

Figura 12: RF4432 y RF4463 enviando formas de onda de paquetes de datos a 433 MHz, 1,2 Kbps, desplazamiento de frecuencia de 20 Khz
Después de la comparación, se descubre que la palabra de sincronización 4463 no coincide con la configuración "0x2DD4", sino con "0xB42B". Y el preámbulo de 4432 es "0101...", no el valor predeterminado anterior "1010...". Vuelva a ajustar el formato del paquete de datos de los dos módulos y utilice la placa de demostración DEMO para comunicarse en modo normal. Se encontró que tanto el módulo inalámbrico RF4432PRO como el RF4463PRO habían recibido interrupciones.

Figura 13: Interrupción RF4463 y RF4432 con desplazamiento de frecuencia de 433 MHz, 1,2 Kbps y 20 Khz
3.3 Diagrama de flujo general

Figura 14: Diagrama de flujo de depuración de comunicaciones RF4432PRO y RF4463PRO
4.1 Resultados del hardware
RF4463PRO funciona en el modo de transmisión normal de la placa de demostración DEMO de Shenzhen NiceRF Wireless Technology Co., Ltd., y RF4432PRO funciona en el modo de recepción normal de la placa de demostración DEMO. La cantidad de paquetes enviados y recibidos se muestra en la pantalla. Como se muestra en la Figura 18, no hay pérdida de paquetes después del envío durante un período de tiempo.

Figura 15: El diagrama físico de la comunicación entre RF4432PRO (izquierda) y RF4463PRO
4.2 Resultados del software
En la Figura 19, 4432IRQ es el pin de interrupción de RF4432PRO y 4463IRQ es el pin de interrupción de RF4463PRO. Se puede ver que cada interrupción de envío tiene una interrupción de recepción correspondiente.

Figura 16: Comunicación RF4432PRO y RF4463PRO interrumpida
La clave del experimento radica en la configuración de inicialización de los módulos inalámbricos RF4432PRO y RF4463PRO, y el resto son consistentes con los procedimientos de comunicación entre los mismos módulos inalámbricos. Los códigos de inicialización de los módulos inalámbricos RF4432PRO y RF4463PRO que son factibles para las siguientes pruebas se pueden sustituir directamente en el programa de comunicación para realizar la comunicación entre los módulos inalámbricos RF4432PRO y RF4463PRO. El programa de prueba completo utilizado en este experimento se puede ver en el CÓDIGO DE DEMOSTRACIÓN RF4432 y el CÓDIGO DE DEMOSTRACIÓN RF4463 en el sitio web oficial de Shenzhen NiceRF Wireless Technology Co., Ltd.
5.1 Ejemplo de inicialización del RF4432PRO
si4432_config.rar
5.2 Ejemplo de inicialización del RF4463PRO
si4463_config.rar
Nota: La ubicación de descarga del archivo adjunto se encuentra debajo del título del artículo.
Este artículo describe el proceso de implementación detallado, la interfaz de hardware y el programa de muestra de la comunicación del módulo transceptor inalámbrico RF4432PRO y RF4463PRO de Shenzhen NiceRF Wireless Technology Co., Ltd., que es factible mediante experimentos. El método básico para realizar la comunicación es configurar RF4432PRO y RF4463PRO con los mismos parámetros de radiofrecuencia y formato de datos. Este método también se puede ampliar a otras comunicaciones entre diferentes módulos inalámbricos y chips inalámbricos. Si encuentra fenómenos experimentales diferentes a los del artículo, si tiene alguna pregunta sobre el proceso experimental u otras ideas, bienvenido a tener intercambios técnicos con nosotros.
Indique: La fuente es NiceRF Wireless Technology Co., Ltd.; de lo contrario, una vez encontrados, los infractores deben ser investigados.
+86-755-23080616
ventas@nicerf.com
Sitio web: https://www.nicerf.com/
Dirección: 309-314, 3/F, Bldg A, edificio comercial Hongdu, Zona 43, Baoan Dist, Shenzhen, China
política de privacidad
· Política de privacidad
Actualmente no hay contenido disponible
Correo electrónico:sales@nicerf.com
Teléfono:+86-755-23080616