Contáctenos
| Parámetro | Mínimo | Típico. | Máx. | Unidad | Condición |
| Condiciones de trabajo | |||||
| Rango de voltaje de trabajo | 2.1 | 3.3 | 3.6 | V | |
| Rango de temperatura | -40 | 85 | °C | ||
| Consumo actual | |||||
| Corriente de recepción | 3 | mamá | |||
| Corriente de transmisión | 25 | mamá | @10dBm | ||
| Corriente de sueño | <1 | uA | |||
| Parámetro de RF | |||||
| Rango de frecuencia | 429 | 433 | 440 | megahercio | @433 MHz |
| Tasa de modulación | 0,78 | 150 | Kbps | FSK | |
| Rango de potencia TX | -8.5 | 12.5 | dBm | ||
| Sensibilidad de recepción | -110 | dBm | @datos=1,2 kbps, Fdev=50 kHz | ||
| Modulación | (G)FSK |
| Chip | SX1212 |
| Frecuencia | 433 MHz, 315 MHz |
| Interfaz | SPI |



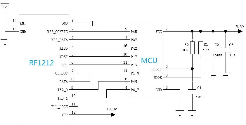
| N.º de pin | Nombre del pin | Descripción |
| 1 | Tierra | Suelo |
| 2 | NSS_CONFIG | Habilitar SPI CONFIG |
| 3 | DATOS NSS | Habilitación de datos SPI |
| 4 | MISO | Salida de datos SPI |
| 5 | MOSI | Entrada de datos SPI |
| 6 | SCK | Entrada de reloj SPI |
| 7 | CLKOUT | Salida de reloj |
| 8 | DATOS | Entrada y salida de datos NRZ (modo continuo) |
| 9 | IRQ_0 | Interrumpir la salida |
| 10 | IRQ_1 | Interrumpir la salida |
| 11 | Bloqueo de PLL | Salida de detección de bloqueo de PLL |
| 12 | VCC | Fuente de alimentación positiva |
| 13 | Tierra | Tierra de la antena |
| 14 | HORMIGA | Antena |

política de privacidad
· Política de privacidad
Actualmente no hay contenido disponible
Correo electrónico:sales@nicerf.com
Teléfono:+86-755-23080616