Contáctenos
| Parámetros | Mín. | Típico. | Máx. | Unidad | Condición |
| Condiciones de funcionamiento | |||||
| Potencia de funcionamiento | 2.2 | 3.3 | 3.8 | V | |
| Temperatura de funcionamiento | -40 | 85 | °C | ||
| Consumo actual | |||||
| Corriente RX | 11 | mamá | |||
| Corriente TX | 22 | mamá | @7dBm | ||
| Corriente de sueño | 0.3 | uA | |||
| Parámetros de RF | |||||
| Frecuencia | 403 | 433 | 463 | megahercio | @433 MHz |
| 838 | 868 | 898 | megahercio | @868 MHz | |
| Potencia de salida | -17.5 | 7 | dBm | ||
| Sensibilidad | -105 | dBm | @datos=1.2kbps | ||
| Modulación | (G)FSK |
| Frecuencia | 433 MHz, 868 MHz, 915 MHz |
| Interfaz | SPI |



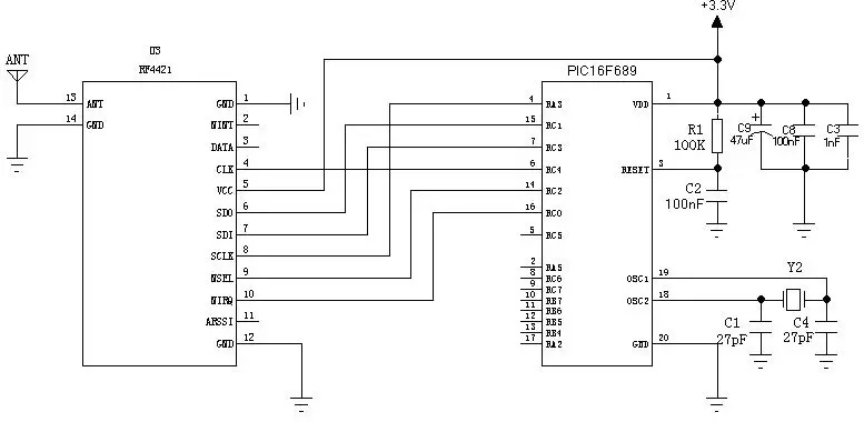
| N.º de pin | Alfiler | Descripción |
| 1 | Tierra | Conectado a tierra |
| 2 | NINT | Entrada de interrupción/Salida de detección de datos eficiente |
| 3 | DATOS | Salida de datos del receptor (no en modo FIFO) |
| 4 | CLK | Salida de reloj del microcontrolador |
| 5 | VCC | Conectar a una fuente de alimentación positiva de 3,3 V |
| 6 | Organización de Desarrollo de los Recursos Naturales (SDO) | Salida de datos para la interfaz SPI |
| 7 | IDE | Entrada de datos para la interfaz SPI |
| 8 | SCLK | Entrada de reloj para la interfaz SPI |
| 9 | nSEL | Selección de datos en serie para interfaces SPI. |
| 10 | nIRQ | Interrumpir la salida |
| 11 | ARSSI | Salida RSSI analógica |
| 12 | Tierra | Conectado a tierra |
| 13 | HORMIGA | Conectado a una antena coaxial de 50 ohmios |
| 14 | Tierra | Conectado a tierra |

política de privacidad
· Política de privacidad
Actualmente no hay contenido disponible
Correo electrónico:sales@nicerf.com
Teléfono:+86-755-23080616