Nov . 2024
El módulo LoRa1121F33-1G9 está integrado en el chip LR1121 de SEMTECH, un transceptor LoRa de largo alcance y potencia ultrabaja que admite comunicación de banda S conectada por satélite y Sub-GHz. El LoRa1121F33-1G9 admite LoRa, modulación (G)FSK, protocolo Sigfox y LR-FHSS. Es compatible con el protocolo de comunicación LoRaWAN y puede funcionar como un nodo LoRaWAN. Además, ofrece opciones de configuración flexibles para cumplir con los requisitos de diversas aplicaciones y protocolos propietarios.
Características del módulo LoRa LoRa1121F33-1G9
Bandas sub-GHz: 433/470MHz 2W
Bandas Sub-GHz: 868/915MHz 1W (Personalizable: 150~960 MHz)
Banda S: 1900 MHz ~ 2000 MHz 0,8 W
Sensibilidad de banda S: hasta -132 dBm @ BW=125 KHz, SF=12
Sensibilidad de recepción sub-GHz: hasta-144 dBm @ BW=62,5 KHz, SF=12
Protección electrostática (ESD)
Soporta LR-FHSS
Soporta protocolo LoRaWAN y Sigfox
Admite cifrado y descifrado AES-128
La transmisión sub-GHz supera los 10 km en áreas abiertas
Corriente de reposo < 15 µA
Recibir corriente < 9mA
Tamaño pequeño, diseño de agujero para sello.
Drones
Riego remoto
Hogar inteligente/Agricultura inteligente
Fabricación industrial
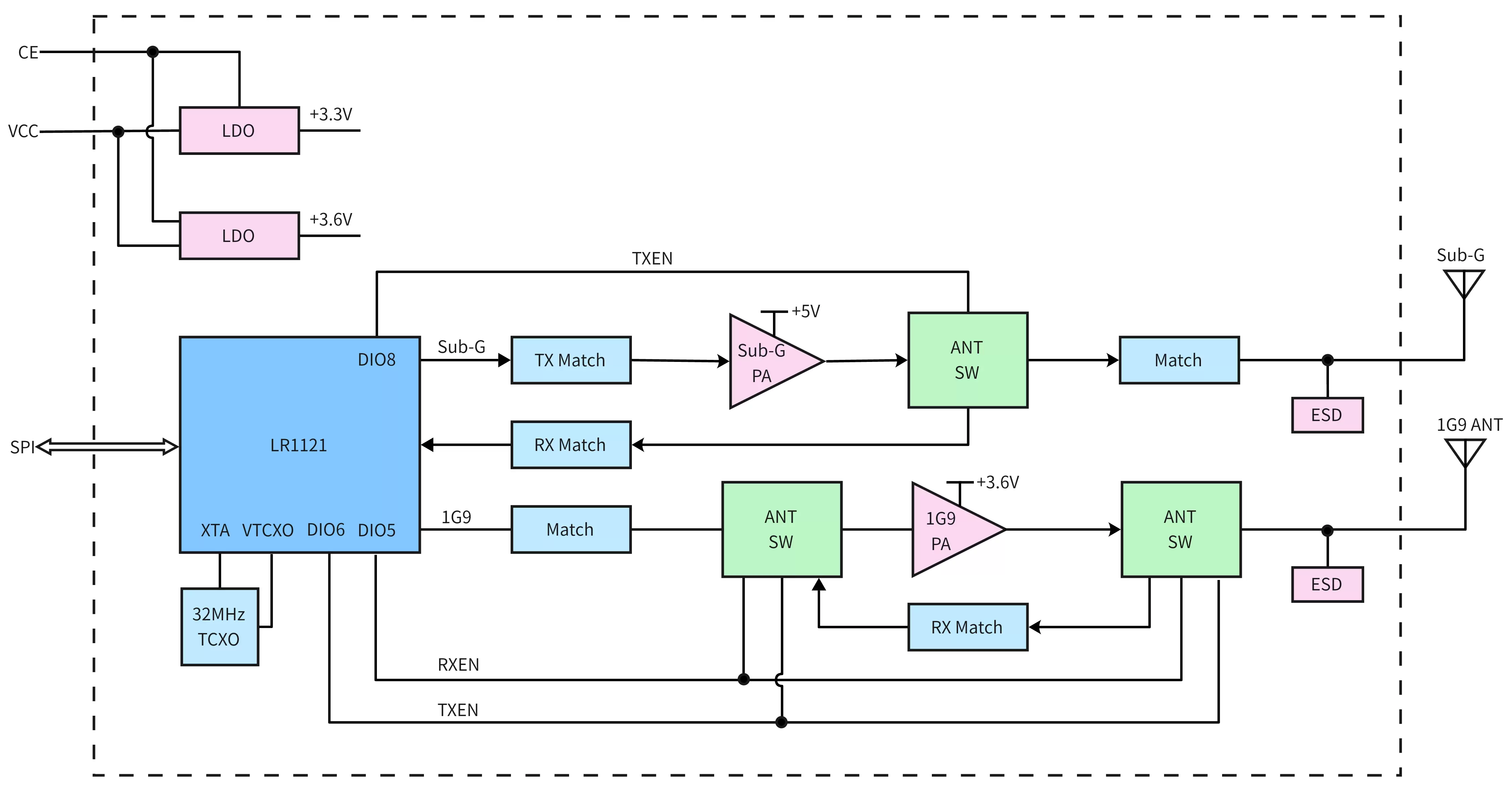
Diagrama de bloques

Características eléctricas
Parámetros | Condición de prueba | Mín. | Tipo. | máx. | Unidad |
Rango de voltaje | 3.0 | 5 | 5.5 | V | |
Temperatura de funcionamiento | -40 | 25 | 85 | ℃ | |
Señal de entrada máxima | 10 | dBm | |||
Consumo actual | |||||
Transmitir corriente | @433MHz | < 900 | mamá | ||
@1.9GHz | < 1000 | mamá | |||
Recibir actual | < 9 | mamá | |||
Dormir actual | < 15 | ua | |||
Parámetros de radiofrecuencia | |||||
Rango de frecuencia | @433MHz | 400 | 470 | megahercio | |
@470MHz | 470 | 510 | megahercio | ||
@868MHz | 850 | 890 | megahercio | ||
@915MHz | 900 | 940 | megahercio | ||
Transmitir potencia | @Sub-GHz | 20 | 33 | dBm | |
@S Banda de frecuencia | 5 | 29 | dBm | ||
Recibir sensibilidad | Ancho de banda = 62,5 KHz, SF = 12 @Sub-GHz | -142 | dBm | ||
Ancho de banda = 125 KHz, SF = 12 @S Banda de frecuencia | -132 | dBm | |||
Error de frecuencia | 10 | ppm | |||
Tasa de modulación (@sub-GHz) | @LoRa | 0.091 | 62,5 | Kbps | |
@FSK | 0,6 | 300 | Kbps | ||
Tasa de modulación (@S bandas de frecuencia ) | @LoRa | 0,292 | 87,5 | Kbps | |
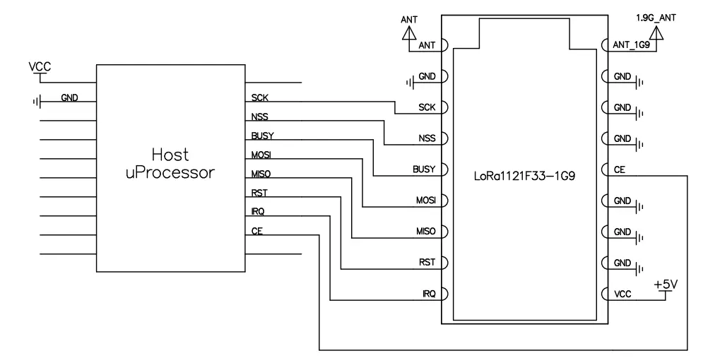
Circuito esquemático típico

Nivel de potencia | 433MHz | 1,9 GHz | ||
Potencia de salida ( dBm) | Corriente ( mA) | Potencia de salida ( dBm) | Potencia de salida ( mA) | |
0 | 20.1 | 419 | 5.0 | 112 |
1 | 22.6 | 427 | 8.7 | 131 |
2 | 25.3 | 445 | 11.0 | 152 |
3 | 27.2 | 485 | 13.7 | 181 |
4 | 29.3 | 551 | 16.7 | 233 |
5 | 30,8 | 628 | 19.8 | 308 |
6 | 31,7 | 691 | 22.7 | 404 |
7 | 32.2 | 734 | 23.9 | 434 |
8 | 32,6 | 775 | 24.4 | 482 |
9 | 32,9 | 817 | 29.6 | 920 |
Voltaje de funcionamiento ( v) | 433MHz | 1,9 GHz | ||
Potencia ( dBm) | Corriente ( mA) | Potencia ( dBm) | Corriente ( mA) | |
3.0 | 28.0 | 506 | 27,8 | 745 |
3.5 | 29,5 | 604 | 29.1 | 846 |
4.0 | 30,7 | 678 | 30.0 | 912 |
4.5 | 31,7 | 736 | 30.3 | 920 |
5.0 | 32,6 | 810 | 30.3 | 920 |
5.5 | 33.3 | 844 | 30.3 | 920 |
Dimensión del mecanismo (Unidad: mm)

Apéndice 1: Tablero de demostración de funciones

El tablero de demostración tiene tres botones: CONFIGURAR, ARRIBA y ABAJO. Sus funciones son las siguientes:
Botones | Funciones |
Pulsación corta de la tecla SET | Confirmar o ingresar al siguiente nivel de la interfaz |
Pulsación larga de la tecla SET | Volver a la interfaz anterior |
Pulsación corta de la tecla ARRIBA | Mover el cursor hacia arriba o aumentar el parámetro en 1 |
Pulsación larga de la tecla ARRIBA | Aumentar parámetro |
Pulsación corta de la tecla ABAJO | Mover el cursor hacia abajo o disminuir el parámetro en 1 |
Pulsación larga de la tecla ABAJO | Disminuir parámetro |
Método de operación:
Asegúrese de que el suministro de energía sea normal y luego cambie el interruptor de encendido para encender la alimentación. La pantalla de la placa DEMO mostrará la interfaz de función actual. Presione brevemente la tecla SET para ingresar al modo de configuración. Para seleccionar una opción, presione brevemente la tecla SET; para regresar, mantenga presionada la tecla SET. Utilice las teclas ARRIBA y ABAJO para seleccionar el parámetro que desea ajustar. Finalmente, presione brevemente la tecla SET para completar la modificación.
n Modo: Función
Banda n : Banda de frecuencia
nFREQ : Frecuencia
n SF: Factor de dispersión
n BW: ancho de banda
n POTENCIA: Potencia
n CR: Rata codificadora
+86-755-23080616
ventas@nicerf.com
Sitio web: https://www.nicerf.com/
Dirección: 309-314, 3/F, Bldg A, edificio comercial Hongdu, Zona 43, Baoan Dist, Shenzhen, China
política de privacidad
· Política de privacidad
Actualmente no hay contenido disponible
Correo electrónico:sales@nicerf.com
Teléfono:+86-755-23080616