Contáctenos
| Parámetros | Mín. | Típico. | Máx. | Unidad | Condición |
| Condiciones de trabajo | |||||
| Rango de voltaje | 2.8 | 5.0 | 6.5 | V | |
| Temperatura de funcionamiento | -40 | 25 | +85 | °C | |
| Consumo actual | |||||
| Corriente Rx | 20 | mamá | |||
| Corriente de transmisión | 19 | mamá | |||
| Corriente de sueño | 11 | uA | |||
| Parámetros de RF | |||||
| Rango de frecuencia | 2.4 | - | 2.484 | GHz | |
| Velocidad en baudios en serie | 1200 | 9600 | 115200 | puntos básicos | |
| Potencia de transmisión | -18 | - | +3 | dBm | Configurable |
| Función especial | Faro |


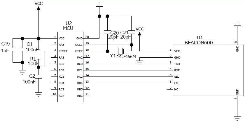
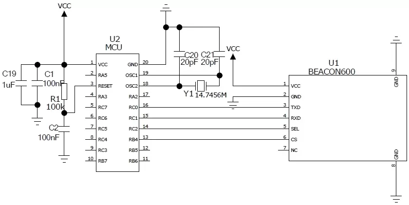
| Pin N.º | Nombre del pin | Descripción |
| 1 | VCC | Conectado a la fuente de alimentación positiva (típicamente 5 V) |
| 2 | Tierra | Conectado a tierra |
| 3 | TXD | TXD del módulo y conectar a RXD externo |
| 4 | RXD | RXD del módulo y conectar a TXD externo |
| 5 | COLOCAR | Habilitar modo de configuración (bajo para ingresar al modo de configuración, dejar abierto o conectar nivel alto para salir del modo de configuración) Válido cuando el pin CS está alto o se deja abierto. |
| 6 | CS | Módulo en funcionamiento habilitado (nivel bajo para suspensión, la corriente será inferior a 40 uA, nivel alto predeterminado). |
| 7 | CAROLINA DEL NORTE | |
| 8 | Tierra | Conectado a tierra |
| 9 | Tierra | Conectado a tierra |

política de privacidad
· Política de privacidad
Actualmente no hay contenido disponible
Correo electrónico:sales@nicerf.com
Teléfono:+86-755-23080616