Contáctenos
| Parámetro | Mín. | Típico. | Máx. | Unidad | Condición |
| Condiciones de operación | |||||
| Rango de voltaje de funcionamiento | 2.0 | 3.0 | 3.6 | V | |
| Rango de temperatura de funcionamiento | -20 | 25 | 70 | °C | |
| Consumo actual | |||||
| Corriente TX | 20 | 25 | mamá | @433 MHz | |
| Corriente de sueño | 1 | uA | |||
| Parámetros de RF | |||||
| Rango de frecuencia | 433.82 | 433.92 | 434.02 | megahercio | @433 MHz |
| 314.9 | 315 | 315.1 | megahercio | @315 MHz | |
| Potencia de salida | 15 | dBm | @3,3 V | ||
| Tasa de modulación | 0.1 | 10 | Kbps | ||
| Modulación | PREGUNTAR |
| Frecuencia | 315 MHz, 433 MHz |


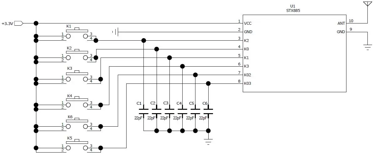
| Número PIN | Definiciones de pines | Descripción |
| 1 | VCC | La fuente de alimentación es positiva, rango 2,0 V-3,6 V |
| 2, 9 | Tierra | Tierra de energía |
| 3 | K2 | Entrada de clave, resistencia pull-down incorporada, TX de alto nivel |
| 4 | K0 | Entrada de clave, resistencia pull-down incorporada, TX de alto nivel |
| 5 | K1 | Entrada de clave, resistencia pull-down incorporada, TX de alto nivel |
| 6 | K3 | Entrada de clave, resistencia pull-down incorporada, TX de alto nivel |
| 7 | K02 | Entrada de clave, resistencia pull-down incorporada, TX de alto nivel |
| 8 | K03 | Entrada de clave, resistencia pull-down incorporada, TX de alto nivel |
| 10 | HORMIGA | Conectar una antena de 50 ohmios |


política de privacidad
· Política de privacidad
Actualmente no hay contenido disponible
Correo electrónico:sales@nicerf.com
Teléfono:+86-755-23080616