El RF9209 es un transceptor inalámbrico FSK que opera en la banda ISM de 2,4 GHz. Comparado con otros módulos/chips de 2,4 GHz, su bajo consumo, alta sensibilidad, alta potencia de salida y comunicación a larga distancia son sus principales atractivos. Este módulo incorpora un chip inalámbrico diseñado por una de las principales empresas europeas de radiofrecuencia. Sus características de bajo coste, tamaño compacto, estabilidad, potencia de salida de 10 dBm, 7 mA en modo de recepción y sensibilidad de -115 dBm son mucho mejores que las de los módulos inalámbricos de 2,4 GHz existentes en el mercado. Se utiliza ampliamente en diversos campos. Cumple con la certificación ROHS y la certificación ETSI.
| Parámetro | Mín. | Típico. | Máx. | Unidad | Condiciones |
| Condiciones de trabajo | |||||
| Voltaje de trabajo | 1.9 | 3.3 | 3.6 | V | |
| Temperatura de trabajo | -40 | 85 | °C | ||
| Consumo actual | |||||
| Corriente Rx | 7 | mamá | |||
| Corriente de transmisión | 36 | mamá | @10dBm | ||
| Corriente de espera | <0,1 | uA | |||
| Parámetros de RF | |||||
| Rango de frecuencia | 2400 | 2483.5 | megahercio | ||
| Velocidad de datos | 1.5 | 72 | Kbps | FSK | |
| Potencia de salida | -20 | 10 | dBm | ||
| Sensibilidad de recepción | -115 | dBm | @datos=1.2kbps | ||
| Modulación | (G)FSK |
| Chip | Otros |
| Frecuencia | 2,4 GHz |
| Potencia de salida | 10 mW |
| Interfaz | SPI |


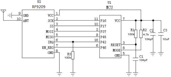
| Pin N.º | Nombre del pin | E/S | Descripción |
| 1 | VCC | Conectar VCC | |
| 2 | SCK | I | Entrada de reloj SPI |
| 3 | SS | I | Pin de entrada de selección de interfaz serie. |
| 4 | MOSI | I | Entrada de datos para la interfaz SPI |
| 5 | MISO | Oh | Salida de datos para la interfaz SPI |
| 6 | IRQ | Oh | Salida de interrupción externa |
| 7 | EN_REG | Señal de habilitación del chip de control maestro | |
| 8 | Tierra | Conectar GND | |
| 9 | Tierra | Antena negativa | |
| 10 | HORMIGA | Conectar una antena coaxial de 50 ohmios | |
| 11 | Tierra | Antena negativa |

política de privacidad
· Política de privacidad
Actualmente no hay contenido disponible
Correo electrónico:sales@nicerf.com
Teléfono:+86-755-23080616